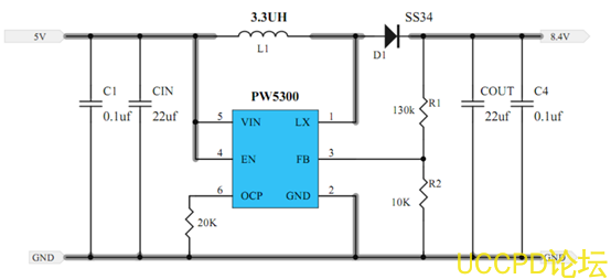
5V升压8.4V,5V转8.4芯片电路图
- 2021-04-06 17:18:00
- 夸克微 原创
- 3324
PW5300
是电流模式升压DC-DC转换器。其内置0.2Ω功率MOSFET的PWM电路使该稳压器具有效高的功率效率。内部补偿网络还可以程度地减少了6个外部元件的数量。误差放大器的同相输入接到0.6V精密基准电压,内部软启动功能可以减低浪涌电流。 PW5300采用SOT23-6L封装,为应用提供节省空间的PCB。
特征
可调输出MAX达12V
内部固定PWM频率: 1.0MHz
Precision Feedback Reference Voltage:0.6V (±2 )
内部0.2Ω, 2.5安, 16V功率MOSFET
关断电流: 0.1μA
过温保护
过压保护,可调过电流保护: 0.5A〜2.5A(Vin)
应用领域
充电器
液晶显示器
数码相机
手持设备
便携式产品
5V升压8.4V电路图,SOT23-6封装
5V 输入升压型双节锂电池充电管理芯片
PL7501C 是一款 3.6V-5.5V 输入, 1A 输出,双节锂电池/锂离子电池充电的异步升压充电控制器。具有完善的充电保护功能。针对不同的应用场合,芯片可以通过方便地调节外部电阻的阻值来改变充电电流的大小。针对不同种类的适配器,芯片内置自适应电流调节环路,智能调节充电电流大小,从而防止充电电流过大而拉挂适配器的现象。该芯片将功率管内置从而实现较少的外围器件并节约系统成本。
PL7501C 的升压开关充电转换器的工作频率为 600KHz, MAX大 2A 输入充电,转换效率为 90%。 PL7501C 输入电压为 5V,内置自适应环路,可智能调节充电电流, 防止拉挂适配器输出可匹配所有适配器。PL7501C 提供 ESOP8 封装(底部焊盘)。
特点
·升压充电效率 90%
·充电电流外部可调
·自动调节输入电流,匹配所有适配器
·支持 LED 充电状态指示
·内置功率 MOS
·600KHz 开关频率
·输出过压, 输出短路保护
·输入欠压, 输入过压保护
·过温保护
代理商:深圳市夸克微科技 郑先生 :13528458039 QQ 2867714804
