24V转12V,9V,8V,6V,5V,3.3V,3V芯片,DC-DC降压和LDO
- 2020-11-14 16:24:00
- 夸克微 原创
- 3267
24V转 15V , 24V转 12V, 24V转 9V, 24V转 8V , 24V转 6V ,24V转 5V, 24V转 3.3V, 24V转 3V, 24V转 1.8V, 24V转 1.2V.
大货车的电箱电池电量是 24V,小轿车的电箱电池电量是 12V,在车充中,就需要用到 24V转 5V给手机充电的芯片。还有是 24V的适配器,稳压降压到更低电压,根据不同的应用,需要不同的电压和不同的电流。需要选择搭配的 IC也会很多。
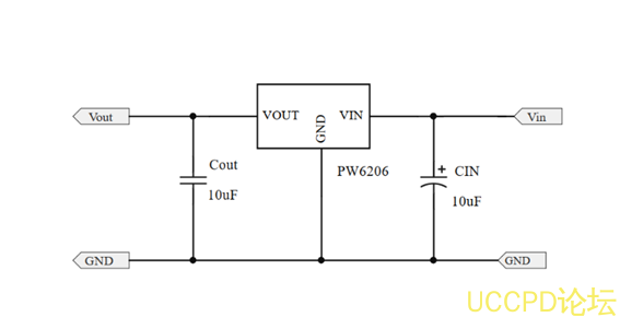
LDO的话,一般是用 PW6206即可,稳压 3V, 3.3V,5V输出供电。
DC-DC符合 100MA起以上电流时,的选择, LDO因为两个电压差太高,效率低的同时,温度及其高,不利于电路的稳定和工作。
注意
24V输入时,在通电和接上电时,会产生输入尖峰电压,一般是
0.5V倍
-3倍左右,输入改用电解电容也能吸收尖峰电压,保护芯片不被过高电压击伤损坏。
在 24V输入中,比较合适的 LDO可以选择: PW6206,输出电压 3V,3.3V,5V
输入电压最高 40V,功耗也低 4uA左右,采用 SOT23-3封装。在 24V输入中,比较合适的 DC-DC可以选择: 0.8A的 PW2558, 1.2A的 PW2312和 3A的 PW2330以及以上都最合适的。
PW2558是一颗 DC-DC降压转换器芯片,输入电压范围 4.5V-55V,最大负载电流 0.8A,可调输出电压,频率 1.2MHZ高频率,可采用贴片电感,节省空间,采用 SOP8封装形式。
PW2312是一颗 DC-DC同步降压转换器芯片,输入电压范围 4V-30V,最大负载电流 1.2A,可调输出电压,频率 1.4MHZ高频率,可采用贴片电感,节省空间,采用 SOT23-6封装形式。
PCB图适用于 PW2312案例:





