5V转1.5V电源芯片,稳压3A输出
- 2020-11-17 11:17:00
- 夸克微 原创
- 3595
5V转 1.5V芯片, 3.7V转 1.5V芯片在不同的应用,有着不同的电流要求 1A,2A,3A,不同的 5V供电也有不同的芯片选择。 5V一般转成 1.5V都是恒压,固定 1.5V输出的模式,和最大输出电流。
3.7V是常规我们知道的锂电池多,一般锂电池的放电电压是 3V-4.2V之间,再转成 1.5V的话,不需要担心升降压等其他问题,不像输出 3.3V时,可能要考虑到升降压芯片的问题了,升降压芯片可考虑到 PW2228A, PW5410B等等。其他具体参数要看规格书资料来判断。
5V转
1.5V的稳压芯片,
3.7V转
1.5V的降压芯片,可使用
1,LDO芯片,
2,DC-DC降压芯片。
代理商:深圳市夸克微科技 郑先生 :13528458039 QQ 2867714804
1,DC-DC降压芯片:
通过表格,对于输入电压是不是再范围内的,来初步筛选和备选,淘汰一些不符合自己要求的降压电路系统的芯片,满足输入电压的,有 PW2058,PW2051,PW2052,PW2053等。
由于这四款芯片的外围电路是和一样的,既我们就可以看下 PW2052的线路图标准来看即可 .
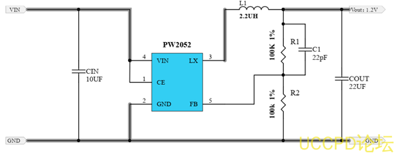
PW2052是一颗高效率,高频率 1MHZ的同步 DC-DC降压转换器, 100%占空比,可调输出电压,可采用贴片电感,节省空间。 PW2052采用 SOT23-5的便捷封装型号,更适合与小型空间有限制的产品。
PW2052的典型应用电路图:
PW2052是一颗高效率,高频率 1MHZ的同步 DC-DC降压转换器, 100%占空比,可调输出电压,可采用贴片电感,节省空间。 PW2052采用 SOT23-5的便捷封装型号,更适合与小型空间有限制的产品。
PW2052的典型应用电路图:
PW2052是一颗高效率,高频率 1MHZ的同步 DC-DC降压转换器, 100%占空比,可调输出电压,可采用贴片电感,节省空间。 PW2052采用 SOT23-5的便捷封装型号,更适合与小型空间有限制的产品。
PW2052的典型应用电路图:
这是一张输出电压设计成 1, 2V的原理图,如果需要改成 1.5V的话,只需要更改 R2电阻的阻值即可来改动输出电压:
DC-DC的,如果 5V电压,输入要超过时,可选择 PW2162,PW2163等降压芯片。
2,
LDO芯片
LDO的选择就比较简单额。直接就可以用PW6566了。




