9V转5V降压IC,极大电流,外围少
- 2020-11-17 13:02:00
- 夸克微 原创
- 3236
9V转 5V降压芯片, 12V转 5V降压芯片, 9V转 5V稳压芯片, 12V转 5V稳压芯片,
9V转 5V恒压输出方案, 12V转 5V输出的恒压降压方案, 9V转 5V的 LDO芯片, 12V转 5V的 LDO芯片。
9V和 12V是两个很相邻的电压,所以再电路上,特别是再降压电路中,基本上效率和工作稳定的相差不是很大的,我们在芯片的选型上也能可以在同一个范围内了。 9V转 5V,和 12V转 5V有两种解决方案: 1, DC-DC降压方案, 2, LDO稳压方案
1, DC-DC降压方案
9V和 12V输入两种电压差比较低,同时又因为这两个电压值是比较常规的电压值了,所以在电源芯片上,大家都把范围做到互相兼容了。基本都是能互相兼容。代理商:深圳市夸克微科技 郑先生 :13528458039 QQ 2867714804
PW2162和
PW2163,输入
3.3V-16V的宽范围内,最大输出电流
2A和
3A的选择。同时
PIN也是一样,可以很方便地设计和测试应用。
PW2312是一颗
DC-DC同步降压转换器芯片,输入电压范围
4V-30V,最大负载电流
1.2A,可调输出电压,频率
1.4MHZ高频率,可采用贴片电感,节省空间,采用
SOT23-6封装形式。
R1,R2为反馈电阻,通过两个电阻的阻值来调输出电压。
L1为电感,可选用贴片电感:屏蔽电感,功率电感等,电感饱和电流越大和体积越大也能最大化效率和温度。
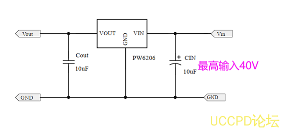
2, LDO稳压方案
9V和 12V输入的线性 LDO,建议可选用输入电压范围宽的 PW6206,稳压 5V和 3.3V, 3V等
LDO产品 输入电压 输出电压 输出电流 静态功耗 封装
PW6566 1.8V~ 5.5V 1.2V~ 5V多 250mA 2uA SOT23-3
PW6218 4V~ 18V 3V,3.3V,5V 100MA 3uA Sot23-3
PW6206 4.5V~ 40V 3V,3.3V,5V 150MA 4.2uA Sot23/89
PW8600 4.5V~ 80V 3V,3.3V,5V 150MA 2uA Sot23-3




