2.4V升3.3V,2.4V升3V,1A大电流升压芯片
- 2020-12-03 13:38:00
- 夸克微 原创
- 3242
两节镍氢电池串联就是 1.2V+1.2V=2.4V的供电电压了, 2.4V升 3V, 2.4V升 3.3V的话,就能稳压稳定给模块供电了,镍氢电池是会随着使用的电池电量减少的话,电池的电压也是跟着变化的,导致 2.4V不能稳定输出,给后面电路照成电池能量浪费的同时,和电路板工作的不稳定。
PW5100是 0.7V-5V输入的,低功耗 10uA,输出电流可达 500-600MA的低功耗升压 IC,效率可到 93%。
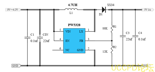
PW5328B是 2V-24V输入的异步升压芯片,输出电流可达 1A-2A等。
代理商:深圳市夸克微科技 郑先生 :13528458039 QQ 2867714804
PW5328B具有在轻负载下自动切换到脉冲频率调制模式的特点。 PW5328B包括欠压锁定、电流限制和热过载保护防止输出过载时损坏。 PW5328B提供小型 6针 SOT-23封装。

