5V充8.4V,5V升压8.4V给电池充电的芯片电路
- 2020-12-11 11:16:00
- 夸克微 原创
- 3233
5V充
8.4V的锂电池,需要把
USB口的
5V输入,升压转换成
8.4V来给两串电池充电。
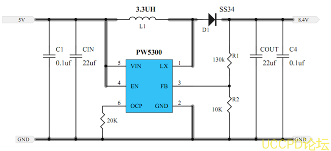
5V升压 8.4V给锂电池充电的专门充电 IC
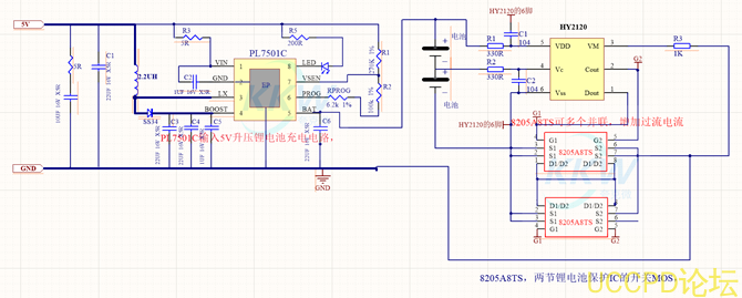
集成了 5V升压 8.4V电路和充电管理电路的 PL7501C
如果不需要充电管理电路的话,只是升压 IC,就是这个六脚了
PW5300,就可以输入
5V升压
8.4V1A的升压输出电路
代理商:深圳市夸克微科技
郑先生 :13528458039
QQ 2867714804
在产品设计和芯片应用中,锂电池的电路,离不开三大基本电路,来控制锂电池的充电,放电。




