代理PW5303芯片,原装现货,技术支援
- 2021-03-05 16:19:00
- 夸克微 原创
- 2950
一般说明
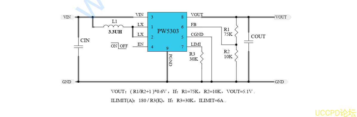
PW5303是一种电流模式升压DC-DC转换器,采用PWM/PSM控制。其内置30mΩ高压侧开关和30mΩ低压侧开关的PWM电路使该调节器具有很高的功率效率。
内部补偿网络还将外部元件计数降至6。 一个内部 0.6V 电压连接到误差放大器的非反相输入作为精密参考电压。内置软启动功能,降低励磁涌流。
特征
- 带PWM/PSM控制的电流模式
- 输入电压范围:2.4V~4.5V
- 可调输出高达5.3V
- 关断电流: <1uA
- 振荡器频率:500KHz
- 参考电压:0.6V+/-2%
- 停机时断开负载
- 逐周期电流限制
- 低RDS(on):高低压侧均为30mΩ
- 保护:OTP、OCP、SCP
- 内部补偿
- 内部软启动:7ms
- 包装:SOP8-EP
应用
- 充电器
- 手持装置
- 便携式产品
- 电力银行
代理商:深圳市夸克微科技 郑先生 :13528458039 QQ 2867714804
发表评论
