锂电池升压芯片,IC电路图资料
锂电池升压芯片,IC电路图资料
锂电池升压芯片,IC电路图资料
锂电池升压芯片,IC电路图资料
锂电池升压芯片,IC电路图资料
锂电池升压芯片,IC电路图资料
锂电池升压芯片,IC电路图资料
锂电池升压芯片,IC电路图资料
锂电池升压芯片,IC电路图资料
锂电池升压芯片,IC电路图资料
锂电池升压芯片,IC电路图资料
锂电池升压芯片,IC电路图资料
锂电池升压芯片,IC电路图资料
锂电池升压芯片,IC电路图资料
锂电池升压芯片,IC电路图资料
锂电池升压芯片,IC电路图资料
锂电池升压芯片,IC电路图资料
锂电池升压芯片,IC电路图资料
锂电池升压芯片,IC电路图资料

锂电池升压芯片,IC电路图资料

  • 价格 面议
详情

 锂电池常规的供电电压范围是 3V-4.2V之间,标称电压是 3.7V。锂电池具有宽供电电压范围,需要进行降压或者升压到固定电压值,进行恒压输出,同时根据输出功率的不同,(输出功率 =输出电压乘以输出电流)。不同的输出电流大小,合适很佳的芯片电路也是不同。

1,  锂电池升降压固定 3.3V输出,电流 150MA,外围仅 3个电容

2,  锂电池升压固定 5V输出,外围仅 3个电容

3,  锂电池 DC-DC升降压芯片,输出 1-2A

4,  锂电池升压 5V 600MA, 8uA低功耗

5,  锂电池升压到 5V,8.4V,9V

6,  锂电池升压到 5V,8.4V,9V,12V

7,  锂电池升压 5V2A

8,  锂电池升压 5V3A

9,  锂电池充电管理 IC,可实现边充边放电

10,  锂电池稳压 LDO,和锂电池 DC-DC降压大电流芯片

1,   PW5410B是一颗低噪声,恒频 1.2MHZ的开关电容电压倍增器。 PW5410B的输入电压范围 1.8V-5V,输出电压 3.3V固定电压,输出电流高达 100MA。外围元件仅需要三个贴片电容即可组成一个升压电路系统。
代理商:深圳市夸克微科技 郑先生 :13528458039 QQ 2867714804

2,  PW5410A是一颗低噪声,恒频 1.2MHZ的开关电容电压倍增器。 PW5410A的输入电压范围 2.7V-5V,输出电压 5V固定电压,输出电流高达 250MA。外围元件仅需要三个贴片电容即可组成一个升压电路系统。

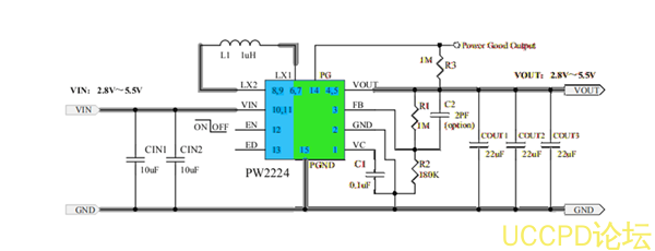
3,   PW2224是一种高效率的单电感 Buck-Boost变换器,可以为负载供电电流高达 4A。它提供降压和升压模式之间的自动转换。 PW2224工作频率为 2.4MHz,也可与外部频率从 2.2MHz同步到 2.6MHz。直流 /直流变频器在轻负载下以脉冲跳频方式工作。可以禁用省电模式,强制 PW2224在 FPWM模式下运行。在关机。 PW2224采用 TDFN3X4-14包装。

特征

l  2.8V~5.5V输入电压运行

l  可调输出电压从 2.8V到 5.5V

l  96%效率 DC/DC变换器

l  VIN>3.6V时 3.3V时的 3A输出电流

l  Buck和 Boost之间的自动转换模式

l  轻载时的脉冲跳跃模式效率

l  内部软启动

l  DC/DC转换器可设置为较低轻载静态电流

l  固定 2.4MHz频率和可能同步

l  内置循环电流限制和过电压保护

l  内置热关机功能

l  电源良好功能

TDFN3X4-14包装( 3mmx4mm)

4,    PW5100  是一款高效率、低功耗、低纹波、高工作频率的 PFM 同步升压 DC/DC 变换器。输出电压可以进行内部调节,实现从 3.0V 至 5.0V 的固定输出电压, 调节步进为 0.1V。 PW5100 仅需要三个外围元件,就可将低输入电压升压到所需的工作电压。系统的工作频率高达 1.2MHz, 支持小型的外部电感器和输出电容器, 同时又能保持超低的静态电流,实现 MAX高的效率。
产品特点
  MAX  大效率可达: 95%
  MAX  高工作频率: 1.2MHz
  超低启动电压: 0.7V@Io=1mA
  宽输入电压范围: 0.7V~ 5.0V
  输入静态电流: 10uA@VIN=2.0V
  输出电压可选: 3.0V~ 5.0V@step=0.1V
  输出电压精度: ±2.5%
  低纹波 ,低噪声: ±10mV@Io=50mA
  使能关断控制: ≤0.2V(低电平), ≥ 0.4*Vout(高电平)


5,  PW5300是电流模式升压 DC-DC转换器。其内置 0.2 Ω功率 MOSFET的 PWM电路使该稳压器具有效率高的功率效率。内部补偿网络还可以程度地减少了 6个外部元件的数量。误差放大器的同相输入连接到 0.6V精密基准电压,内部软启动功能可以减低浪涌电流。 PW5300采用 SOT23-6L封装,为应用提供节省空间的 PCB。

特点:

l 可调输出 MAX达 12V

l 内部固定 PWM频率: 1.0MHz

l 内部 0.2Ω, 2.5安, 16V功率 MOSFET

l 关断电流: 0.1μA

l 过温保护,过压保护

l 可调过电流保护: 0.5A〜 2.5A( Vin端)



6, PW5328B是一款恒定频率, 6引脚 SOT23电流模式升压转换器,适用于小型,低功耗应用。 PW5328B的开关频率为 1.2MHz,允许使用高度小于 2mm的小型低成本电容器和电感器。内部软启动可减小浪涌电流并延长电池寿命。 PW5328B具有在轻负载时自动切换到脉冲频率调制模式的功能。 PW5328B包括欠压锁定,电流限制和热过载保护,以防止在输出过载情况下损坏。 PW5328B采用6引脚小型SOT-23封装。

特点:

效率  可达  9  7%

2V至24V输入电压

1.2MHz固定开关频率

内部4    开关电流限制

可调输出电压

内部补偿

自动脉冲频率调制

轻载模式

采用SOT23-6封装

7, PW6276是一颗高效同步升压转换芯片,锂电池输入升压输出可达 5V2.4A。内部集成低阻抗功率 MOS。 具有短路保护功能内部集成软启动电路,无需外部补偿电容,外部反馈网络。
PW6276采用 SOP8-EP 封装配合较少的外围原件使其非常适用于便携式产品。
特点
⚫ 工作频率 500KHz
⚫ 内部集成同步整流 MOS,无需外部整流二极管
⚫ 外部反馈网络,输出电压可调节
⚫ 恒流短路保护模式
⚫ 电流模式,响应速度快
⚫ 内部过流保护功能



8,  锂电池  3.7V  升压  5V3A  功率芯片,PW5303是具有 PWM/ PSM控制的电流模式升压 DC/DC转换器。它的 PWM电路具有内置的 30mΩ高端开关和 30mΩ低端开关,使该稳压器具有很高的功率效率。内部补偿网络还将外部元件的数量减少到仅 6个。内部 0.6V电压连接到误差放大器的同相输入作为精密基准电压。内置的软启动功能可以减少浪涌电流。 具有 PWM / PSM控制的电流模式
特征
输入电压范围: 2.4V〜4.5V
可调输出高达 5.3V
关断电流: <1uA
振荡器频率: 500KHz
参考电压: 0.6V +/-2
关机期间断开负载
逐周期电流限制
低 RDS( on):高端和低端均为 30mΩ
保护: OTP, OCP, SCP
内部补偿
内部软启动: 7ms
封装: SOP8-EP

9,  搭配的锂电池充电  IC  ,实现边充边放电。

10,搭配的锂电池稳压 LDO芯片,和降压芯片


发表评论
评论通过审核后显示。