5V降压转3.3V,5V转3V电路图芯片
5V降压转3.3V,5V转3V电路图芯片
5V降压转3.3V,5V转3V电路图芯片
5V降压转3.3V,5V转3V电路图芯片
5V降压转3.3V,5V转3V电路图芯片
5V降压转3.3V,5V转3V电路图芯片
5V降压转3.3V,5V转3V电路图芯片
5V降压转3.3V,5V转3V电路图芯片

5V降压转3.3V,5V转3V电路图芯片

  • 价格 面议
详情
5V 降压转 3.3V 和 3V 都是低压,两个之间的压差效率,所以效率和工作温度这块都会比
较优秀,输入和输出的最低压差外是越小越好。
1, 如果电流比较小,可以用 LDO:
PW6566 系列是使用 CMOS 技术开发的低压差,高精度 输出电压,低消耗电流

正电压型电压稳压器。由于内置有低通态电阻晶体管,因而压差低。

5V 降压转 3.3V 或者 3V,可以输出 1A 以下,1A,2A,3A,5V 降压 3.3vV 可以输出 1A
以下,1A,2A,3A 的降压芯片,不同输出电流,芯片内置的整流 MOS 管也是不一,在成本
上也是有大的差异,需要贴近合适的要求,来达到性价比最高的选型。
PW2058/PW2059 是一种恒频、电流模式降压转换器。该器件集成了一个主开关和
一个同步整流器,无需外加肖特基二极管就可以实现高效率。它是用单电池锂离子电池
为便携式设备供电的理想选择。输出电压可调低至
0.6V PW2058/PW2059 还可在
100% 的占空比下进行低电压降操作,延长了便携式系统的电池寿命。该装置提供 PWM
控制和 PFM 模式开关控制两种工作模式,可在更宽的负载范围内实现高效率。
特征
效率高达 96%
1.5MHz 恒频运行
800mA 输出电流
不需要肖特基二极管
2V 6V 输入电压范围
输出电压低至 0.6V
低负载下高效率的 PFM 模式
退出运行时 100% 占空比
低静态电流: 20 μ A
斜坡补偿电流模式控制,以获得良好的
线路和负载瞬态响应
短路保护
热故障保护
涌流限制和软启动
<1μA 关断电流
SOT23-5  


PW2051 是一款由基准电压源、振荡电路、比较器、 PWM/PFM 控制电路等构成
的 CMOS 降压型 DC/DC 调整器。利用 PWM/PFM 自动切换控制电路达到可调占空
比,具有全输入电压范围内的低纹波、高效率和大输出电流等特点。 PW2051 内置功
率 MOSFET, 集成了过压、过流、过热、短路等诸多保护电路,在超过控制值时会自
动断开,以保护芯片。本产品结合了微型封装和低消耗电流等特点,最适合在移动设备
的电源内部使用。 PW2051 采用 SOT23-5L 封装配合较少的外围原件使其非常适用于
便携式产品.
产品特点
最大效率可达 95%
最大输出电流 1.5A
超低静态电流 40μA
甚小输出纹波 <±0.4%
低压操作 可达 100%占空比
PWM/PFM 自动切换 占空比自动可调以保持全负载范围内的高效率、低纹波
短路保护

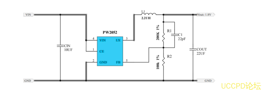
PW2052 是一种高效率、高频同步 DC-DC 降压调节器。 100% 的人占空比特性提供低压
差操作,延长便携式系统的电池寿命。内部同步开关提高了效率,消除了对外部肖特基
的需要二极管。在关机模式下,输入电源电流小于
1µA 。限流保护和片上热关机功能可
防止过载或环境温度。
特征
内部开关低 RDS ON )(顶部 / 底部): 180/100mΩ
2.5V~5.5V 输入电压范围
2A 输出电流
1MHz 开关频率使
外部部件
内部软启动限制涌流
内部补偿功能
100% 退出运行
符合 RoHS 标准且无卤素
SOT-23-5

PW2053 是一种高效单片同步降压调节器,使用恒定的频率,电流模式架构。该设备有
可调版本。供电电流在空载情况下,
<40uA 停机。 2.5V 5.5V 输入电压范围使
PW2053 非常适合单锂离子电池供电的应用。 100% 占空比低压差操作,延长便携式系
统的电池寿命
.PWM/PFM 模式操作为噪声敏感应用提供非常低的输出纹波电压。开关
频率为内部设置为
1.2MHz ,允许使用小型表面贴装电感器和电容器。低输出电压很容
易支持
0.6V 反馈参考电压。
PW2053 采用薄型( 1 毫米) 5 针薄型 SOT 封装,提供可调版本。
特征
效率高达 96%
2.5V 5.5V 输入电压范围
1.2MHz 恒频运行
高达 3.0A 电流输出
不需要肖特基二极管
低负载下高效率的 PFM 模式
过热保护
低静态电流: 40uA
短路保护
涌流限制和软启动
100% 占空比
SOT23-5


发表评论
评论通过审核后显示。