5V升压8.4V,5V转8.4芯片电路图
5V升压8.4V,5V转8.4芯片电路图
5V升压8.4V,5V转8.4芯片电路图
5V升压8.4V,5V转8.4芯片电路图

5V升压8.4V,5V转8.4芯片电路图

  • 价格 面议
详情
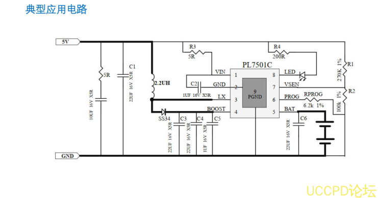
双节 7.4V 锂电池充电管理 IC 和电路图
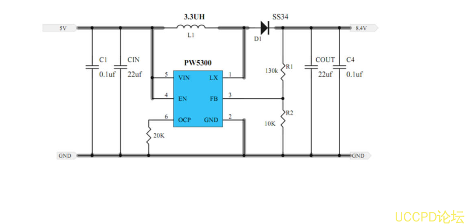
PW5300 是电流模式升压 DC-DC 转换器。其内置 0.2Ω 功率 MOSFET 的 PWM 电
路使该稳压器具有效高的功率效率。内部补偿网络还可以程度地减少了 6 个外部元件的
数量。误差放大器的同相输入接到 0.6V 精密基准电压,内部软启动功能可以减低浪涌
电流。 PW5300 采用 SOT23-6L 封装,为应用提供节省空间的 PCB。
特征
可调输出 MAX 达 12V
内部固定 PWM 频率: 1.0MHz
Precision Feedback Reference Voltage:0.6V (±2 )
内部 0.2Ω, 2.5 安, 16V 功率 MOSFET
关断电流: 0.1μA
过温保护
过压保护,可调过电流保护: 0.5A
2.5A(Vin)
应用领域
充电器
液晶显示器
数码相机
手持设备
便携式产品

5V 升压 8.4V 电路图,SOT23-6 封装



5V 输入升压型双节锂电池充电管理芯片
PL7501C 是一款 3.6V-5.5V 输入, 1A 输出,双节锂电池 / 锂离子电池充电的异步升
压充电控制器。具有完善的充电保护功能。针对不同的应用场合,芯片可以通过方便地
调节外部电阻的阻值来改变充电电流的大小。针对不同种类的适配器,芯片内置自适应
电流调节环路,智能调节充电电流大小,从而防止充电电流过大而拉挂适配器的现象。
该芯片将功率管内置从而实现较少的外围器件并节约系统成本。
PL7501C 的升压开关充电转换器的工作频率为 600KHz , MAX 大 2A 输入充电,转
换效率为
90% PL7501C 输入电压为 5V, 内置自适应环路,可智能调节充电电流,
防止拉挂适配器输出可匹配所有适配器。
PL7501C 提供 ESOP8 封装 ( 底部焊盘 )
特点
· 升压充电效率 90%
·
充电电流外部可调
· 自动调节输入电流,匹配所有适配器
· 支持 LED 充电状态指示
· 内置功率 MOS
·600KHz
开关频率
· 输出过压, 输出短路保护
· 输入欠压, 输入过压保护
· 过温保护


发表评论
评论通过审核后显示。