LTH7芯片充放电电路资料
LTH7芯片充放电电路资料
LTH7芯片充放电电路资料
LTH7芯片充放电电路资料
LTH7芯片充放电电路资料
LTH7芯片充放电电路资料
LTH7芯片充放电电路资料
LTH7芯片充放电电路资料
LTH7芯片充放电电路资料
LTH7芯片充放电电路资料
LTH7芯片充放电电路资料
LTH7芯片充放电电路资料
LTH7芯片充放电电路资料

LTH7芯片充放电电路资料

  • 价格 面议
详情
A, LTH7 贴片 5 脚充电芯片
1, 单节的锂电池保护电路
2, 单节的锂电池充电电路
3, 单节的锂电池输出电路
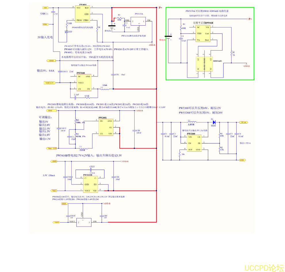
PW4054
单节为3.7V锂电池(也叫4.2V)和3.8V锂电池(也叫4.35V)
4.2V 的 LTH7 芯片, PW4054, 4.35V 的 LTH7 芯片, PW4065
锂电池转换稳压输出为: 1.2V, 3.3V,5V, 12V 等等
4, 1-3 节锂电池的充放电芯片表 (几十个芯片分类图)
5, 锂电池充放电整套电路组合 保护电路+充电电路+升压电路+LDO 电路+降压电路

在锂电池上,需要三个电路系统: 1 ,锂电池保护电路, 2 ,锂电池充电电路, 3
锂电池输出电路。

边充电边放电,从这里可以看出是锂电池充电电路与锂电池两者一起给锂电池输出电路供电。
A ,LTH7 贴片 5 脚充电芯片
LTH7 是单节锂电池充电电路芯片, PW4054,负责将 USB 口的 5V 电源,转换降压适合
3.7V 的锂电池充电,并提供一个 LED 指示灯,指示充电长亮和充满灭灯的控制系统,并具
有电池电压监测电路,实时监测电池电压,充满即停止充电。
搭配锂电池如: 3.7V 的 18650, 3.7V 的聚合物锂电池等等如果是 3.8V 的锂电池,请使
用 PW4065 了。
锂电池有 3 大电路系统,出了锂电池充电电路 PW4054 芯片(LTH7)外,还要其他 2 大
基础电路

1 , 单节的锂电池保护电路:
即锂电池保护板, 控制锂电池的过放电和过充电功能(过充电充电 IC 也会有)
有的锂电池厂家出厂就自带了保护板了(大部分是默认没带保护板),有的锂电池
没,就需要锂电池保护
IC 了。常用锂电池保护 IC 如:
DW01B , 特点:外置 MOS PW8205A6S 或者 PW8205A8TS ),由于是外置
MOS ,过充电电流和过放电电流可通过 很 多 个 MOS 并联来提高,这是很常见的,采用
SOT23-6 封装。
PW3130 ,特点:内置 MOS ,电路简单, 过充电电流和过放电电流是 3A ,适合功率
不大电子产品,采用
SOT23-5 封装。
PW3133A ,特点:内置 MOS ,电路简单,在 PW3130 的基础上再简洁了芯片体
积,采用
SOT23-3 封装。
DW01B PW3130,PW3133A 的电路图如下:

PW3130 PW3133A 是相当于内置了 DW01B 和一个 3.5A 过流的开关 MOS

2 , 单节锂电池充电电路:
即给锂电池充电的控制管理芯片,有带充电电压监测,充满就停止。
2-1 PW4054 ,特点: 500MA 充电电流, 5V USB 输入很常用的锂电池充电 IC ,采用
SOT23-5 封装;
2-2 PW4056 ,特点: 1A 充电电流, 5V USB 输入也是属于常用的锂电池充电 IC ,采用
SOP8 封装;
2-3 PW4203 ,特点: 5V,9V,12V,15V 20V 兼容高低压输入的锂电池充电 IC ,采用
SOP8 封装。
2-4 PW4065 ,特点: 500MA 充电电流, 5V USB 输入反接保护,电池反接保护,采用
SOT23-5 封装; PIN PIN PW4054 ,并提供 4.2V 4.35V 充电版本,针对不
同的电池充电。

3 ,锂电池输出电路:
3-1 ,锂电池自身供电电压是 3V-4.2V 之间,锂电池直接供电,电路就是直接接供电。
3-2 ,锂电池升压输出电路:
PW5100 ,锂电池升压 5V 输出,输出电流在 600MA ,外围很简单;
PW5300 ,锂电池升压 4.5V 10V ,输出功率 6W 6W/ 电压 = 电流)
PW5328B ,锂电池升压 4.5V 20V 。(注:型号众多, 不能一一列举)
PW2224 ,锂电池升降压 3.3V (可调输出),输出电流 2A 。升降压电路的;
PW5600 ,锂电池升压 5V,9V,12V ,输出电路, 3A,2A,1.5A
PW5400 ,锂电池升压 5V2A (可调输出)的输出电路。
PW5410B ,锂电池输出固定 3.3V (升降压稳压),电流 150MA

PW6566 LDO ,输出 3V,2.8V,2.5V,1.8V,1.5V,1.2V ,电流可达 250MA

PW2058 DC-DC 降压,电流可达 0.8A
PW2051 DC-DC 降压,电流可达 1A
PW2052 DC-DC 降压,电流可达 2A
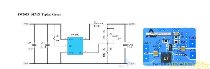
PW2053,DC-DC 降压,电流可达 3A (注:型号众多,)


发表评论
评论通过审核后显示。