USB限流IC,限流开关保护芯片
USB限流IC,限流开关保护芯片
USB限流IC,限流开关保护芯片
USB限流IC,限流开关保护芯片
USB限流IC,限流开关保护芯片
USB限流IC,限流开关保护芯片

USB限流IC,限流开关保护芯片

  • 价格 面议
详情
PW1503 PW1502 是超低 RDS ON )开关,具有可编程电流限制的 USB 限流 IC ,以
保护电源于过电流负载和正极负极短路的保护。它具有过温保护以及反向闭锁功能。
PW1503 PW1502 均采用 SOT23-5 封装,可调限流电流版本。
特征
400MA-3000MA 的可调节限流电流 PW1503
200MA-2000MA 的可调节限流电流 PW1502
过温保护
反向阻断(无体二极管)
停机时, VOUT 可强制高于 VIN
输出短路保护
EN 开关控制(完全关断)
应用
USB 充电器
USB 充电器产品和应用
USB 加密狗
minipic 配件

典型应用电路

PW1555 过压过流芯片: 30V 过压保护, 2.5V-15V 输入电压, 4.8 安培可调限流开关芯片
PW1555 是一个可编程的限流开关,具有宽输入电压范围 2.5V-30V,可选择输出电压钳
位。集成保护 N FET 的极低 RDSON)有助于减少正常运行时的功率损耗。可编程软
启动时间控制转换率在启动期间的输出电压。使能控制,负责电路的开关通断。它集成
了过热保护停机和过流,短路保护的自我恢复。 PW1555 DFN3X3-10 封装 ,提供了小的
PCB 面积应用。
特征
输入电压范围从 2.5V 15V,浪涌可达
30V
集成保护开关: 40 m
可编程软启动时间
可编程电流限制
短路保护
可选输入范围和锁压输出电压阈值。
启用接口引脚
热关机保护和自动恢复
输入关闭保护
紧凑型包装: DFN3X3-10
应用
服务器
服务 PC
笔记本电脑
迷你键盘
典型应用电路

VOVP 选择输入电压范围:
1,Low Vout 3.6V ,输入范围超过 5V 关闭 护,LOW 就是接地;
2,High Vout 5V , 输入超过 6.8V 关闭保护;High 就是接输入;
3,Open Vout 12V ,输入超过 14V 关闭保护;Open 就是悬空。
ILIM (A)= 11 / RADJ (KΩ) RADJ=3.1K ILIM=3.5A
MAX 小电流限制为 1A。不建议电流限制超过 4.8A
PW2601 简单概述:
24V 耐压, 6.8V 输入过压保护,恒定电路输出 5V,可调限流 1.5A 控制 IC
PW2601 是一款充电器前端集成电路,旨在为锂离子电池提供保护,使其免受充电电路
故障的影响。该设备监视输入电压,电池电压和充电电流,以确保所有三个参数均在正常范
围内运行。当任何输入电压,输出电流超过阈值时,该器件将关闭内部 MOSFET 以断开 IN
至 OUT 的连接,以保护负载。过热保护(OTP)功能监视芯片温度以保护器件。 PW2601
还可以通过连续监视电池电压来保护系统电池免于过充电。该器件的工作原理类似于线性稳
压器,可在输入电压高达输入过压阈值的情况下保持 5.1V 输出。
PW2601 采用 DFN-2x2-8L 封装。标准产品是无铅和无卤素的。

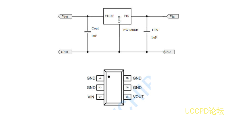
PW2606简约电路,6.1V过压关闭保护,外围仅2个电容。过流1A和2A
PW2606B,PW2606是前端过电压和过电流保护设备。它实现了2.5V至40V的宽输入电压
范围。过压阈值可以在外部编程或设置为内部默认设置。集成电源路径nFET开关的低电
阻可确保为电池充电系统应用提供更好的性能。它可以提供高达1A,2A的电流以满足电
池供电系统的要求。它集成了具有滞回功能的过热保护关闭和自动恢复电路,以防止发
生过电流事件。
特征



 

输入电压可达:40V
MAX大负载电流:
1A(PW2606B),2A(PW2606)
低功率路径电阻)
固定内部OVP阈值:5 6.1V(典型值)


内部软启动,防止涌入
 热关机保护和自动
 OVP响应时间:50ns
 内部15毫秒启动或OVP恢复延迟 

输出短路保护
符合RoHS标准且不含卤素
 紧凑包装:SOT23-6L
应用领域
智能设备
电池供电系统
可穿戴设备
典型应用电路

输入可达 24V ,带过压保护的单节锂电池充电管理 IC
PW4554 是 一 款 性 价 比 高 、 完 全 集 成 的 高 输 入 电 压 单 电 池 锂 离 子 电 池 充 电 器 。
充电器采用锂离子电池所需的 CC/CV 充电模式。充电器接受输入 电压高达 24V,但当输入
电压超过 OVP 阈值(通常为 6.8V)时, ,以防止过度功耗。 24V 额定值消除了过电压保护电
路在低输入电压充电器中需要。充电电流和充满电荷( FOC)电流可通过外部电阻器进行编
程。当电池电压低于 2.55V 时,充电器通常使用编程充电电流的 20%。当充电电流降低到可
编程在 CV 充电阶段,由 CHG 引脚提供 FOC 指示,该引脚是开路漏极输出。内置热折叠功能
可保护充电器免受任何热量的影响失效。两个指示引脚( PPR CHG)允许与微处理器或 LED
的 简 单 接 口 。 没 有 连 接 适 配 器 , 充 电 器 从 电 池 吸 取 的 漏 电 流 小 于 1μA
PW4554 采用绿色 DFN-2×2-8L 包装,额定温度在 -40 +85 之间温度范围。
特点
单电池锂离子电池或聚合物电池的完整充电器
集成通电元件和电流传感器
无需外部阻断二极管
组件数量和成本低
可编程充电器电流
可编程充满充电器电流
用于热保护的充电器电流热折叠
2.55V 涓流充电阈值
6.8V 输入过压保护
电源输入的 MAX 大电压为 24V
电源存在和充电指示
无输入电源时,电池泄漏电流小于 1μA
充电终止时电源电流小于 200uA
绿色 DFN-2x2-8L 包装

发表评论
评论通过审核后显示。