15V转5V转3.3V转3V芯片,DC-DC和LDO
详情
15V电压是属于一般电压,降压转成5V电压,3.3V电压和3V电压,适用于这个电压的DC-DC很多,LDO也是有可以选择的。LDO芯片如PW6206,PW8600等。DC-DC芯片如:PW2162,PW2312,PW2558等等很多选择。如下表
代理商:深圳市夸克微科技 郑先生 :13528458039 QQ 2867714804

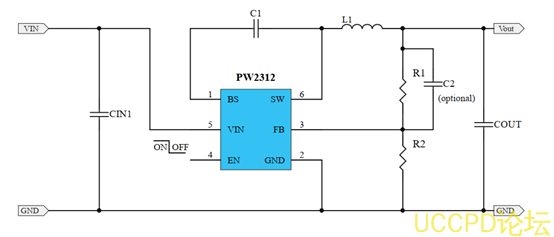
PW2312是一颗DC-DC同步降压转换器芯片,输入电压范围4V-30V,最大负载电流1.2A,可调输出电压,频率1.4MHZ高频率,可采用贴片电感,节省空间,采用SOT23-6封装形式。
在15V输入中,比较合适的LDO可以选择:PW6206,输出电压3V,3.3V,5V
输入电压最高40V,功耗也低4uA左右。代理商:深圳市夸克微科技 郑先生 :13528458039 QQ 2867714804
在15V输入中,比较合适的DC-DC可以选择:2A的PW2162,1.2A的PW2312和3A的PW2330都最合适的。
PW2162是一颗DC-DC同步降压转换器芯片,输入电压范围4.5V-16V,最大负载电流2A,可调输出电压,频率600kHZ高频率,可采用贴片电感,节省空间,采用SOT23-6封装形式。
PW2312是一颗DC-DC同步降压转换器芯片,输入电压范围4V-30V,最大负载电流1.2A,可调输出电压,频率1.4MHZ高频率,可采用贴片电感,节省空间,采用SOT23-6封装形式。
发表评论