PW8600芯片代理,原装现货,技术支援

PW8600芯片代理,原装现货,技术支援

  • 价格 0.01
  • 品牌 PW PW8600
详情

一般说明

PW8600 系列专为功率敏感型应用而设计。它包括一个精密的高电压输入级,一个超电流支路,并产生一个超低压差线性调节器。 PW8600 的输入电压范围为 VOUT+1V 65V ,仅消耗 1.8uA 的静态电流,并提供 1% 的初始精度和较低的压降电压, 10mA 时为 70mV

PW8600 是一个固定输出的 LDO ,可用电压为 3V 5.0V 。其他功能包括短路保护和热关机。
特征

⚫ 宽工作电压:VOUT+1V至65V(最大Vin可达80V)

⚫ 超低静态电流:1.8uA(典型值)

⚫  输出精度:±2%

⚫  高输出电流:≥200mA

⚫ 低压差电压:70毫伏@10毫安, 100毫安时为700毫伏

⚫ 无超调的系统启动

⚫ 短路保护设计为无超调

⚫ 出色的功率/负载瞬态响应

⚫ 低温系数:100ppm/ÿ

⚫ 包装:SOT23-3

应用

⚫ 电池供电设备

⚫ 烟雾探测器和传感器

⚫ 微控制器应用

⚫ 智能电表

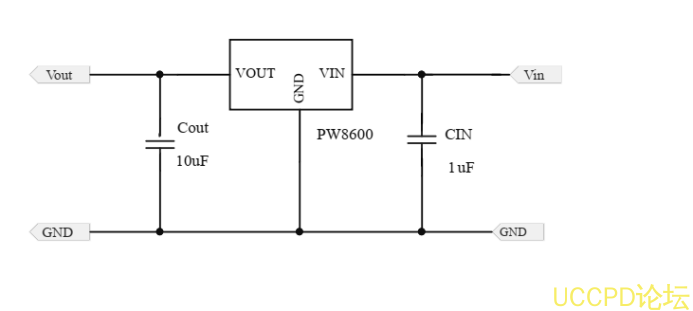
典型应用电路


品牌代理商:深圳市夸克微科技
郑生: 13528458039
QQ : 2867714804


发表评论
评论通过审核后显示。