PW2224芯片代理,原装现货,技术支援

PW2224芯片代理,原装现货,技术支援

  • 价格 面议
  • 品牌 PW PW2224
详情

一般说明

 

PW2224 是一种高效率的单电感 Buck-Boost 变换器,可以为负载供电电流高达 4A 。它提供降压和升压模式之间的自动转换。 PW2224 工作频率为 2.4MHz ,也可与外部频率从 2.2MHz 同步到 2.6MHz 。直流 / 直流变频器在轻负载下以脉冲跳频方式工作。可以禁用省电模式,强制 PW2224 FPWM 模式下运行。在关机。

PW2224 采用 TDFN3X4-14 包装。

 

特征


 2.8V~5.5V 输入电压运行

  可调输出电压从2.8V 5.5V

 96% 效率 DC/DC 变换器

 VIN>3.6V 3.3V 时的 3A 输出电流

 Buck Boost 之间的自动转换模式

 轻载时的脉冲跳跃模式效率

 内部软启动

 DC/DC 转换器可设置为较低轻载静态电流

  固定2.4MHz 频率和可能同步

 内置循环电流限制和过电压保护

 内置热关机功能

 电源良好功能

 TDFN3X4-14 包装( 3mmx4mm


 

应用

 手机

 智能手机

 

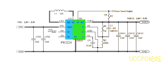
典型应用电路

代理商:深圳市夸克微科技
郑生: 13528458039
QQ : 2867714804


发表评论
评论通过审核后显示。