代理PW8600芯片,原装现货,技术支援

代理PW8600芯片,原装现货,技术支援

  • 价格 面议
  • 品牌 平芯微 PW8600
详情

一般说明

PW8600系列专为功率敏感型应用而设计。它包括一个精密的高电压输入级,一个超电流支路,并产生一个超低压差线性调节器。 PW8600的输入电压范围为 VOUT+1V65V,仅消耗 1.8uA的静态电流,并提供 1%的初始精度和较低的压降电压, 10mA时为 70mV

PW8600是一个固定输出的 LDO,可用电压为 3V5.0V。其他功能包括短路保护和热关机。
特征

宽工作电压: VOUT+1V65V(最大 Vin可达 80V

超低静态电流: 1.8uA(典型值)

输出精度:± 2%

高输出电流:≥ 200mA

低压差电压: 70毫伏 @10毫安 , 100毫安时为 700毫伏

无超调的系统启动

短路保护设计为无超调

出色的功率 /负载瞬态响应

低温系数: 100ppm/ÿ

包装: SOT23-3

应用

电池供电设备

烟雾探测器和传感器

微控制器应用

智能电表
代理商:深圳市夸克微科技 郑先生 :13528458039 QQ 2867714804

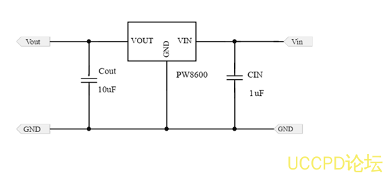
典型应用电路

发表评论
评论通过审核后显示。