18V转5V,18V转3.3V,18V转3V稳压芯片,0.01A-3A输出
18V转5V,18V转3.3V,18V转3V稳压芯片,0.01A-3A输出
18V转5V,18V转3.3V,18V转3V稳压芯片,0.01A-3A输出
18V转5V,18V转3.3V,18V转3V稳压芯片,0.01A-3A输出
18V转5V,18V转3.3V,18V转3V稳压芯片,0.01A-3A输出

18V转5V,18V转3.3V,18V转3V稳压芯片,0.01A-3A输出

  • 价格 面议
详情

18V5V18V3.3V18V3V

18V5V稳压芯片, 18V3.3V稳压芯片, 18V3V稳压芯片,

18V常降压转成 5V电压, 3.3V电压和 3V电压给其他芯片或设备供电,适用于这个电压的 DC-DC很多, LDO也是有可以选择的。 LDO芯片如 PW6206PW8600等。 DC-DC芯片如: PW2162,PW2312,PW2330等等很多选择。如下表

18V输入中,比较合适的 LDO可以选择: PW6206,输出电压 3V,3.3V,5V

输入电压最高 40V,功耗也低 4uA左右,封装 SOT23-3



18V输入中,比较合适的 DC-DC可以选择: 1.2APW23123APW2330都最合适的。

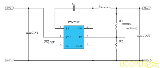
PW2312是一颗 DC-DC同步降压转换器芯片,输入电压范围 4V-30V,最大负载电流 1.2A,可调输出电压,频率 1.4MHZ高频率,可采用贴片电感,节省空间,采用 SOT23-6封装形式。



PCB图适用于 PW2312案例:



代理商:深圳市夸克微科技 
郑先生 :13528458039 
QQ 2867714804


发表评论
评论通过审核后显示。