24V转12V,24V转9V,24V转8V芯片,DC-DC降压和LDO
24V转12V,24V转9V,24V转8V芯片,DC-DC降压和LDO
24V转12V,24V转9V,24V转8V芯片,DC-DC降压和LDO
24V转12V,24V转9V,24V转8V芯片,DC-DC降压和LDO
24V转12V,24V转9V,24V转8V芯片,DC-DC降压和LDO

24V转12V,24V转9V,24V转8V芯片,DC-DC降压和LDO

  • 价格 面议
详情

24V15V 24V12V24V9V24V8V , 24V6V ,24V5V24V3.3V24V3V24V1.8V24V1.2V.

大货车的电箱电池电量是 24V,小轿车的电箱电池电量是 12V,在车充中,就需要用到 24V5V给手机充电的芯片。还有是 24V的适配器,稳压降压到更低电压,根据不同的应用,需要不同的电压和不同的电流。需要选择搭配的 IC也会很多。

LDO的话,一般是用 PW6206即可,稳压 3V3.3V,5V输出供电。

DC-DC符合 100MA起以上电流时,的选择, LDO因为两个电压差太高,效率低的同时,温度及其高,不利于电路的稳定和工作。

注意 24V输入时,在通电和接上电时,会产生输入尖峰电压,一般是 0.5V-3倍左右,输入改用电解电容也能吸收尖峰电压,保护芯片不被过高电压击伤损坏。

DC-DC 降压

输入电压

输出电压

输出电流

频率

封装

PW2058

2.0V-6.0V

1V-5V

0.8A

1.5MHz   

SOT23-5

PW2051

2.5V-5.5V

1V-5V

1.5A

1.5MHz

SOT23-5

PW2052

2.5V-5.5V

1V-5V

2.0A

1.0 MHz

SOT23-5

PW2053

2.5V-5.5V

1V-5V

3.0A

1.0 MHz

SOT23-5

PW2162

4.5V-16V

1V-15V

2A

600KHZ

SOT23-6

PW2183

4.5V-24V

1V-15V

3A

600KHZ

SOT23-6

PW2312

4.0V-30V

1V-28V

1.2A

1.4 MHz

SOT23-6

PW2330

4.5V-30V

1V-28V

3A

130KHz

SOP8

PW2558

4.5V-55V

1.25V-30V

0.8A

1.2 MHz

SOT23-6

PW2815

4.5V-80V

1.5V-30V

1.5A

400KHZ

SOP8-EP

PW2906

12V-90V

1.25V-24V

0.6A

150KHZ

SOP8-EP

PW2902

8V-90V

5V-30V

2A

140KHZ

SOP8-EP

PW2153

8V-150V

5V-30V

3A

140KHZ

SOP8

LDO产品

输入电压

输出电压

输出电流

静态功耗

封装

PW6566

1.8V-5.5V

1.2V-5V

250mA

2uA

SOT23-3

PW6218

4V-24V

3V,3.3V,5V

100MA

3uA

Sot23-3

PW6206

4.5V-40V

3V,3.3V,5V

150MA

4.2uA

Sot23/89

PW8600

4.5V-80V

3V,3.3V,5V

150MA

2 uA

Sot23-3

24V输入中,比较合适的 LDO可以选择: PW6206,输出电压 3V,3.3V,5V

输入电压最高 40V,功耗也低 4uA左右,采用 SOT23-3封装。

24V输入中,比较合适的 DC-DC可以选择: 0.8APW25581.2APW23123APW2330以及以上都最合适的。

PW2558是一颗 DC-DC降压转换器芯片,输入电压范围 4.5V-55V,最大负载电流 0.8A,可调输出电压,频率 1.2MHZ高频率,可采用贴片电感,节省空间,采用 SOP8封装形式。


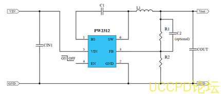
PW2312是一颗 DC-DC同步降压转换器芯片,输入电压范围 4V-30V,最大负载电流 1.2A,可调输出电压,频率 1.4MHZ高频率,可采用贴片电感,节省空间,采用 SOT23-6封装形式。



PCB图适用于 PW2312案例:


代理商:深圳市夸克微科技 
郑先生 :13528458039
 QQ 2867714804




发表评论
评论通过审核后显示。