IP2188集成 12 种协议、 可于 USBC 端口的快充协议 IC
IP2188集成 12 种协议、 可于 USBC 端口的快充协议 IC
IP2188集成 12 种协议、 可于 USBC 端口的快充协议 IC
IP2188集成 12 种协议、 可于 USBC 端口的快充协议 IC
IP2188集成 12 种协议、 可于 USBC 端口的快充协议 IC
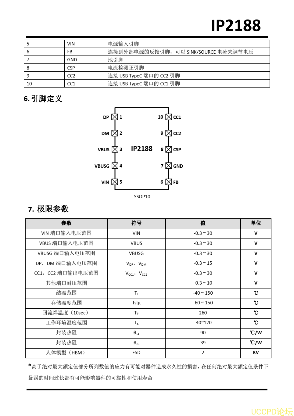
IP2188集成 12 种协议、 可于 USBC 端口的快充协议 IC
IP2188集成 12 种协议、 可于 USBC 端口的快充协议 IC
IP2188集成 12 种协议、 可于 USBC 端口的快充协议 IC
IP2188集成 12 种协议、 可于 USBC 端口的快充协议 IC

IP2188集成 12 种协议、 可于 USBC 端口的快充协议 IC

  • 价格面议
  • 型号IP2188
详情

1. 特性
 支持 12 种 USB 端口快充协议
 支持 USB TypeC PD2.0/PD3.0/PPS DFP 协议
 支持多种充电协议(QC3.0/QC2.0, FCP, SCP,AFC, MTK PE+ 2.0/1.1 以及 2.4A ,2.0A 和 BC1.2)
 支持自动选择 TypeC PD 或其他快充协议
 支持 USB TypeC PD2.0/PD3.0/PPS DFP
 CC1, CC2 自动输出上拉状态
 支持广播 18W 功率的 SRC Capability 包
 支持广播 5V,9V,12V 电压的 SRC Capability 包
 支持广播 3V~12V PPS 电压的 SRC Capability

 CC 握手成功后, VBUSG 开启 VBUS 功率路径
 支持 QC3.0/QC2.0 Class A 充电协议
 支持 QC3.0 Class A: 3.6V~12V(0.2V/Step)
 支持 QC2.0 Class A: 5V, 9V, 12V
 支持 MTK PE+ 2.0/1.1 快充协议
 PE+ 2.0: 5V~20V(0.5V/Step)配置
 PE+ 1.1: 5V, 7V, 9V, 12V 配置
 支持 FCP 快充
 支持 SCP 快充
 支持 AFC 快充
 支持 2.4A : DP = 2.7V, DM = 2.7V
 支持 2.0A: DP = 1.2V DM =1.2V ,
 支持 BC1.2: DP 与 DM 短接
 自动检测 DP, DM 上电压对应的快充请求,通
过调节 FB 精确控制输出电压
 DP,DM,CC1,CC2 过压保护
 DP,DM 对地弱短路保护
 工作电压范围: 3 .3V~20V
 封装 SSOP10
2. 简介
    IP2188 是一款集成 12 种、用于 USB 输出端口的快充协议 IC,支持 USB 端口充电协议。支持 11种快充协议,包括 USB TypeC PD2.0/PD3.0/PPS DFP,HVDCP QC3.0/QC2.0(Quick Charge) Class A, FCP(Hisilicon® Fast Charge Protocol), SCP(Super Fast
Charge), AFC(Samsung® Adaptive Fast Charge),MTK PE+ 2.0/1.1( MediaTek Pump Express Plus 2.0/1.1), Apple 2.4A, BC1.2 以及 2.0A。
    IP2188 支持自动检测设备类型和充电协议切换,自动响应快充协议请求。
    IP2188 集成 FB 控制接口,可通过调节 FB  SOURCE/SINK 的电流(最小 2uA/step)来精确控制输出电压。
3. 应用
USB 功率输出接口、移动电源、车载充电器
智慧手机、平板电脑、网络笔记本、数字相机、蓝牙配件所用的电池充电器
代理商:深圳市夸克微科技 郑先生 :13528458039 QQ 2867714804

4. 典型应用原理图

    发表评论
    评论通过审核后显示。