20V转3.3V和24V转3.3V的芯片功能介绍
20V转3.3V和24V转3.3V的芯片功能介绍
20V转3.3V和24V转3.3V的芯片功能介绍
20V转3.3V和24V转3.3V的芯片功能介绍
20V转3.3V和24V转3.3V的芯片功能介绍
20V转3.3V和24V转3.3V的芯片功能介绍
20V转3.3V和24V转3.3V的芯片功能介绍
20V转3.3V和24V转3.3V的芯片功能介绍

20V转3.3V和24V转3.3V的芯片功能介绍

  • 价格 面议
详情


常用的 20V24V5V,3.3VLDO稳压和 DC-DC降压芯片:


PW6206系列是一款高精度,高输入电压,低静态电流,高速,低压降线性稳压器具有高纹波抑制。输入电压高达 40V,负载电流高达 100mA,采用 BCD工艺制造。 PW6206提供过电流限制、软启动和过热保护,以确保设备在良好的条件下工作

PW6206调节器有标准 SOT89-3LSOT23-3L封装。标准产品无铅无卤。

特点

l  输入电压: 4.75V~40V

l  输出电压: 1.8V~5.7V

l  输出精度: <±2%

l  输出电流: 100mA(典型值)

l  最高 250mA@VIN=7VVOUT=5V

l  电源抑制比: 60dB@100Hz

l  跌落电压: 600mV@IOUT=100mA

l  静态电流: 4.2μA@VIN=12V(典型值)

l  ESD HBM:8KV

l  推荐电容器: 10uF
代理商:深圳市夸克微科技 郑先生 :13528458039 QQ 2867714804

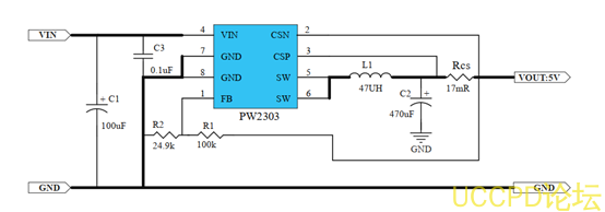
PW2303 是支持高电压输入的同步降压电源管理芯片,在 4.5~30V的宽输入电压范围内可实现 3A 的连续电流输出。通过调节 FB 端口的分压电阻,可以输出 1.8V 28V 的稳定电压。 PW2303 具有优秀的恒压 /恒流 (CC/CV)特性。 PW2303 采用电流模式的环路控制原理,实现了快速的动态响应。
   PW2303 工作开关频率为 130kHz,具有良好的 EMI 特性。 PW2303 内置线电压补偿,可通过调节 FB 端口的分压电阻阻值来实现。 PW2303 包含多重保护功能:过温保护,输出短路保护和输入欠压 / 过压保护等。 PW2303 采用 SOP8 的标准封装。
产品特点
宽输入电压范围: 4.5V 30V
宽输出电压范围: 1.8V 28V
效率可高达 92%以上

超高恒流精度: ±5%
恒压精度: ±5%

无需外部补偿

开关频率: 130kHz

输入欠压 /过压、

输出短路和过热保护 SOP-8 封装


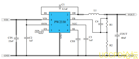
    PW2330开发了一种高效率的同步降压 DC-DC变换器 3A输出电流。 PW23304.5V30V的宽输入电压范围内工作集成主开关和同步开关,具有非常低的 RDSON)以最小化传导 损失。 PW2330 采用专有的瞬时 PWM 结构,实现快速瞬态响应适用于高降压应用和轻负载下的高效率。此外,它在在连续传导模式下的 500kHz 伪恒定频率,以最小化电感器和电容器。

特点

l  内部整流 MOS的低 RDSon)(顶部 /底部): 90/60 mΩ

4.5-30V输入电压范围

l  瞬时 PWM架构实现快速

l  瞬态响应

l  外部软启动限制涌入电流

l  恒频: 500kHz

3A连续负载电流能力

l  输出过电流限制

l  输出短路保护当前折回

l  热关机和自动恢复

l  符合 RoHS标准且无卤素

l  紧凑型包装: SOP8-EP

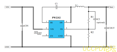
                  PW2312是一个高频,同步,整流,降压,开关模式转换器内部功率 MOSFET。它提供了一个非常紧凑的解决方案,以实现 1.5A的峰值输出电流在广泛的输入电源范围内,具有优良的负载和线路调节 PW2312需要最少数量的现成外部组件,可在节省空间的 SOT23-6包。

特征

    4V30V工作输入范围

    1.2A连续输出电流

    1.4MHz开关频率

    短路保护模式

    内置过流限制

    内置过电压保护

    模式 PWM

    内部软启动

    200mΩ/150mΩRDSON)内部功率金氧半晶体

    不需要肖特基二极管

    综合内部补偿

    热关机

    提供 SOT23-6套装

    -40°C+85°C温度范围






发表评论
评论通过审核后显示。