IP2726说明书
详情
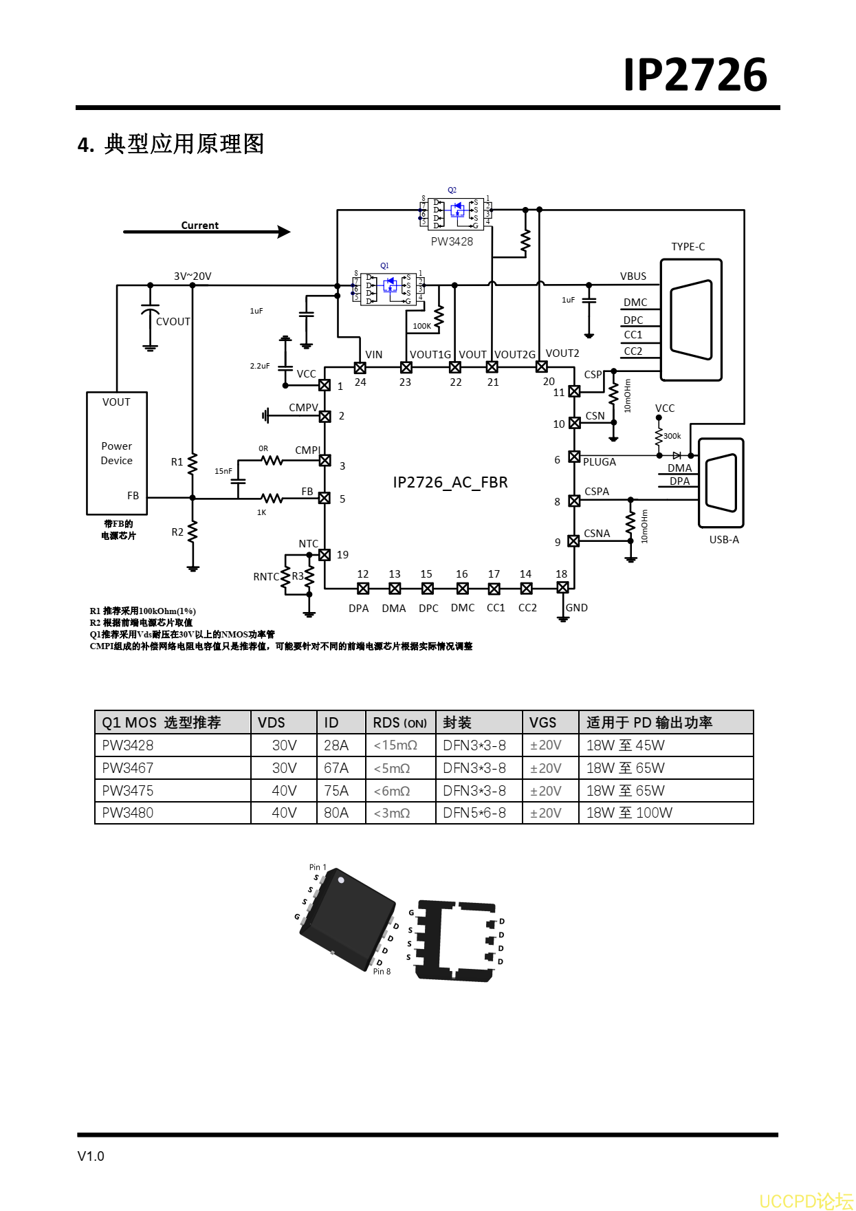
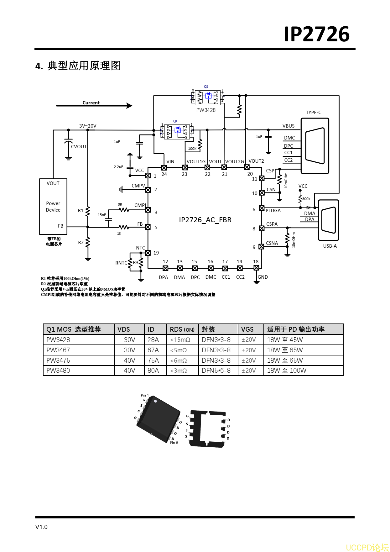
IP2726_AC_FBR 是一款集成多种协议、 用于 USB-A 和 TYPE-C 双端口输出的快充协议 IC。 支持多种快充协议,包括 USB TypeC DFP, PD2.0/PD3.0/PPS ,HVDCP QC4 +/QC4/QC3.0/QC2.0( Quick Charge), FCP( Fast Charge Protocol ), SCP( Super Fast
Charge), AFC( Adaptive Fast Charge ),MTK PE+ 2.0/1.1( Pump Express Plus 2.0/1.1), 2.4A , BC1.2 以及 2.0A。 为适配器、车充等单向输出应用提供完整的 TYPE-C 解决方案。
IP2726_AC_FBR 具备高集成度与丰富功能,在应用时仅需极少的外围器件,有效减小整体方案的尺寸,降低 BOM 成本。








代理商:深圳市夸克微科技
Charge), AFC( Adaptive Fast Charge ),MTK PE+ 2.0/1.1( Pump Express Plus 2.0/1.1), 2.4A , BC1.2 以及 2.0A。 为适配器、车充等单向输出应用提供完整的 TYPE-C 解决方案。
IP2726_AC_FBR 具备高集成度与丰富功能,在应用时仅需极少的外围器件,有效减小整体方案的尺寸,降低 BOM 成本。
代理商:深圳市夸克微科技
郑先生 :13528458039
QQ 2867714804
发表评论