24V转5V芯片,高精度,高输入电压,低静态电流
24V转5V芯片,高精度,高输入电压,低静态电流
24V转5V芯片,高精度,高输入电压,低静态电流

24V转5V芯片,高精度,高输入电压,低静态电流

  • 价格 面议
详情

24V转5V芯片,24V转5V芯片,24V转5V芯片,24V转5V芯片,24V转5V芯片

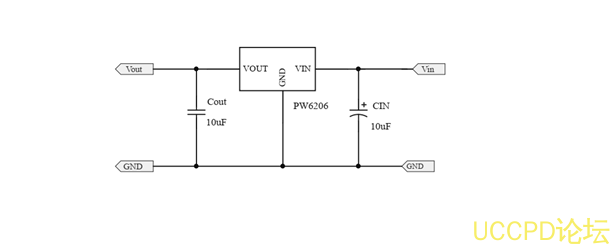
  PW6206
系列是一款高精度,高输入电压,低静态电流,高速,低压降线性稳压器具有高纹波抑制。在 VOUT=5V&VIN=7V时,输入电压高达 40V,负载电流高达 300mA,采用 BCD工艺制造。 PW6206提供过电流限制、软启动和过热保护,以确保设备在良好的条件下工作

PW6206调节器有标准 SOT89-3LSOT23-3L封装。标准产品无铅无卤。

特点

l  输入电压: 4.75V~40V

l  输出电压: 1.8V~5.7V

l  输出精度: <±2%

l  输出电流: 150mA(典型值)

l  最高 300mA@VIN=7VVOUT=5VPW6206B50HV封装

l  电源抑制比: 60dB@100Hz

l  跌落电压: 600mV@IOUT=100mA

l  静态电流: 4.2μA@VIN=12V(典型值)

ESD HBM:8KV

l  推荐电容器: 10uF

应用     

l  智能电表

l  车内娱乐

l  电动自行车
代理商:深圳市夸克微科技 郑先生 :13528458039 QQ 2867714804

典型应用电路



发表评论
评论通过审核后显示。