24V转5V稳压芯片,高效率,整流MOS
24V转5V稳压芯片,高效率,整流MOS
24V转5V稳压芯片,高效率,整流MOS
24V转5V稳压芯片,高效率,整流MOS
24V转5V稳压芯片,高效率,整流MOS

24V转5V稳压芯片,高效率,整流MOS

  • 价格 面议
详情


24V转5V稳压芯片,24V转5V稳压芯片,24V转5V稳压芯片,24V转5V稳压芯片,24V转5V稳压芯片

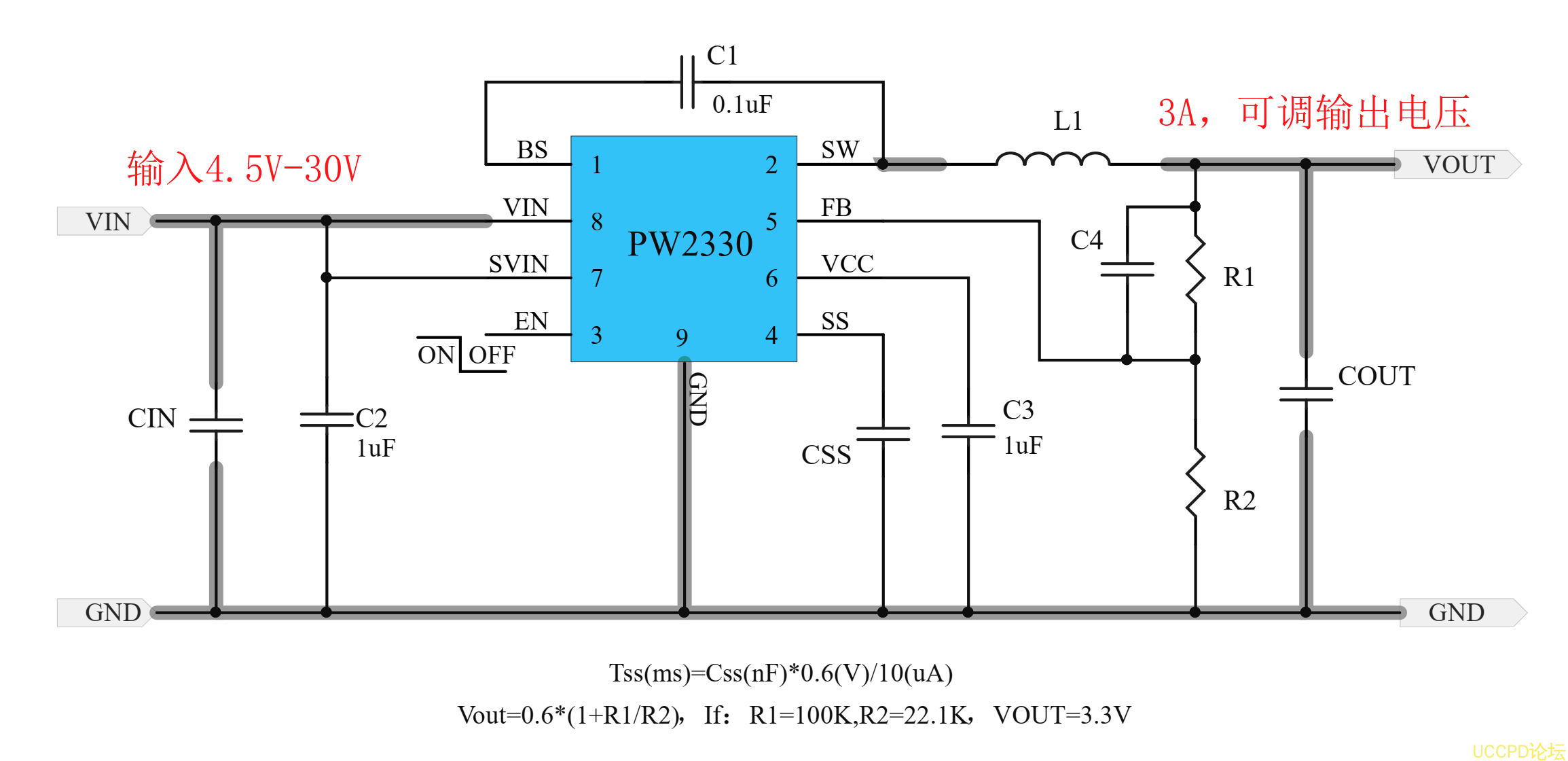
PW2330
开发了一种高效率的同步降压 DC-DC变换器 3A输出电流。 PW23304.5V30V的宽输入电压范围内工作集成主开关和同步开关,具有非常低的 RDSON)以最小化传导损失。PW2330采用专有的瞬时PWM结构,实现快速瞬态响应适用于高降压应用和轻负载下的高效率。此外,它在在连续传导模式下的500kHz伪恒定频率,以最小化电感器和电容器。

特征


l  内部整流 MOS的低 RDSon)(顶部 /底部): 90/60 mΩ

4.5-30V输入电压范围

l  瞬时 PWM架构实现快速

l  瞬态响应

l  外部软启动限制涌入电流

l  恒频: 500kHz

3A连续负载电流能力

l  输出过电流限制

l  输出短路保护当前折回

l  热关机和自动恢复

l  符合 RoHS标准且无卤素

l  紧凑型包装: SOP8-EP

应用


l  液晶显示器

l  液晶电视

l  机顶盒

l  北美

l  大功率 AP路由器

l  液晶显示器

DVR/NVR

l  笔记本
代理商:深圳市夸克微科技 郑先生 :13528458039 QQ 2867714804


典型应用电路


PIN 分配 / 说明




发表评论
评论通过审核后显示。