供应PW2224,原装,现货,技术支持

供应PW2224,原装,现货,技术支持

  • 价格面议
  • 品牌平芯微 PW2224
详情

一般说明

     PW2224是一种高效率的单电感Buck-Boost变换器,可以为负载供电电流高达4A。它提供降压和升压模式之间的自动转换。PW2224工作频率为2.4MHz,也可与外部频率从2.2MHz同步到2.6MHz。直流/直流变频器在轻负载下以脉冲跳频方式工作。可以禁用省电模式,强制PW2224在FPWM模式下运行。在关机。

     PW2224采用TDFN3X4-14包装。

特征

l  2.8V~5.5V输入电压运行

l  可调输出电压从2.8V到5.5V

l  96%效率DC/DC变换器

l  VIN>3.6V时3.3V时的3A输出电流

l  Buck和Boost之间的自动转换模式

l  轻载时的脉冲跳跃模式效率

l  内部软启动

l  DC/DC转换器可设置为较低轻载静态电流

l  固定2.4MHz频率和可能同步

l  内置循环电流限制和过电压保护

l  内置热关机功能

l  电源良好功能

l  TDFN3X4-14包装(3mmx4mm)

应用

l  手机

l  智能手机
代理商:深圳市夸克微科技 郑先生 :13528458039 QQ 2867714804

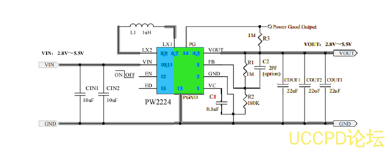
典型应用电路

    发表评论
    评论通过审核后显示。