代理PW2303 芯片,同步降压电源管理芯片,原装现货,技术支援
详情
产品概述
PW2303 是支持高电压输入的同步降压电源管理芯片,在4.5~30V的宽输入电压范围内可实现 3A 的连续电流输出。通过调节 FB 端口的分压电阻,可以输出 1.8V 到 28V 的稳定电压。
PW2303 具有优秀的恒压/恒流(CC/CV)特性。 PW2303 采用电流模式的环路控制原理,实现了快速的动态响应。
PW2303 工作开关频率为 130kHz,具有良好的 EMI 特性。 PW2303 内置线电压补偿,可通过调节 FB 端口的分压电阻阻值来实现。 PW2303 包含多重保护功能:过温保护,输出短路保护和输入欠压/ 过压保护等。 PW2303 采用 SOP8 的标准封装。
产品特点
⚫ 宽输入电压范围: 4.5V 至 30V
⚫ 宽输出电压范围: 1.8V 至 28V
⚫ 效率可高达 92%以上
⚫ 超高恒流精度: ±5%
⚫ 恒压精度: ±5%
⚫ 无需外部补偿
⚫ 开关频率: 130kHz
⚫ 输入欠压/过压、 输出短路和过热保护
⚫ SOP-8 封装
应用范围
⚫ 车载充电器/适配器
⚫ 线性调节前置稳压器
⚫ 分布式供电系统
⚫ 电池充电器
PW2303 是支持高电压输入的同步降压电源管理芯片,在4.5~30V的宽输入电压范围内可实现 3A 的连续电流输出。通过调节 FB 端口的分压电阻,可以输出 1.8V 到 28V 的稳定电压。
PW2303 具有优秀的恒压/恒流(CC/CV)特性。 PW2303 采用电流模式的环路控制原理,实现了快速的动态响应。
PW2303 工作开关频率为 130kHz,具有良好的 EMI 特性。 PW2303 内置线电压补偿,可通过调节 FB 端口的分压电阻阻值来实现。 PW2303 包含多重保护功能:过温保护,输出短路保护和输入欠压/ 过压保护等。 PW2303 采用 SOP8 的标准封装。
产品特点
⚫ 宽输入电压范围: 4.5V 至 30V
⚫ 宽输出电压范围: 1.8V 至 28V
⚫ 效率可高达 92%以上
⚫ 超高恒流精度: ±5%
⚫ 恒压精度: ±5%
⚫ 无需外部补偿
⚫ 开关频率: 130kHz
⚫ 输入欠压/过压、 输出短路和过热保护
⚫ SOP-8 封装
应用范围
⚫ 车载充电器/适配器
⚫ 线性调节前置稳压器
⚫ 分布式供电系统
⚫ 电池充电器
代理商:深圳市夸克微科技 郑先生 :13528458039 QQ 2867714804
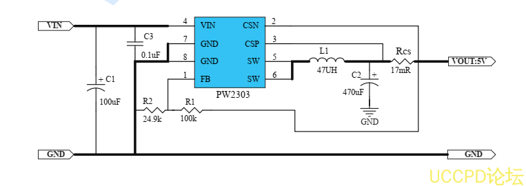
典型应用电路
发表评论