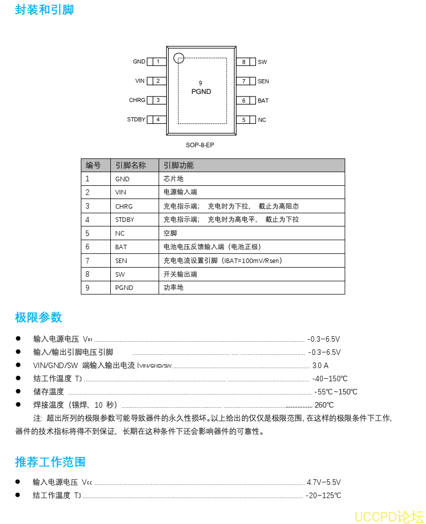
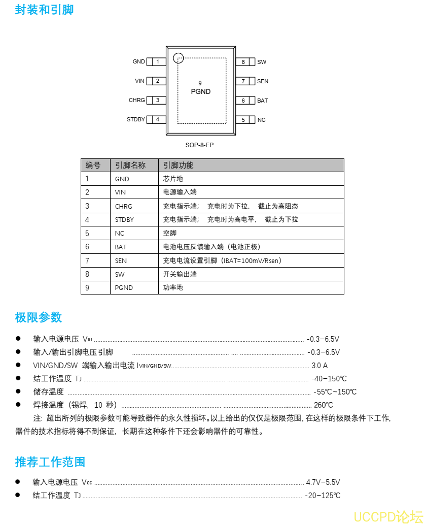
3A锂电池充电管理芯片PW4035
详情
3A锂电池充电管理芯片PW4035


PW4052 是一颗适用于单节锂电池的、具有恒压/恒流充电模式的充电管理 IC。该芯片采用开关型的工作模式, 能够为单节锂电池提供快速、 高效且简单的充电管理解决方案。
PW4052 采用三段式充电管理,当电池电压低于 2.9V(Typ)时,采用涓流模式充电, 充电电流为满充电流的 2/10(Typ) ;当电池电压高于 2.9V(Typ)时,采用全电流充电, 充电电流由外部的 SENSE 电阻设定;当电池接近浮充电压时, 采用恒压充电,充电电流逐渐减小; 当充电电流减小至 2/10(Typ)电流时, 充电完成;如果电池电压降低至再充电电压 4.05V(Typ)时, PW4052 会再次重启充电; 当去掉输入电源时,芯片自动进入休眠模式, 电池的漏电电流降至 2uA(Typ) 。
PW4052 内置防倒灌功能,不需要额外的外部二极管; PW4052 还设计有欠压保护、芯片过温保护等保护功能; 该芯片提供 SOP8-EP 封装。
代理商:深圳市夸克微科技 郑先生 :13528458039 QQ 2867714804
发表评论