5V轉2.8V降壓芯片,極大電流,外圍少
- 2020-11-17 11:32:00
- 誇剋微 原創
- 3146
5V轉 2.8V和 3.7V轉 2.8V和 3V轉 2.8V可根據電流來選用 1, LDO線性芯片, 2, DC-DC降壓芯片
1, LDO線性芯片
一般我們都追求極簡的外圍電路和元器件的芯片,對於電流小的,不追求效率的, LDO芯片就是第一箇選擇瞭。
LDO芯片一般推薦用 PW6566卽可。成本低,還要更多其他輸齣電壓的選擇。三極管的封裝形式。如果輸入電壓需要更高時,則需要選擇其他 LDO瞭。
2, DC-DC降壓芯片
DC-DC降壓芯片如果是
3V或者
3.7V輸入的話,則不需要考慮以上的原因。在
5V輸入時,有
2鐘情況,如果是穩定的
5V供電電壓則可以選擇
PW2058,PW2051,PW2052,PW2053等等。
代理商:深圳市誇剋微科技 鄭先生 :13528458039 QQ 2867714804
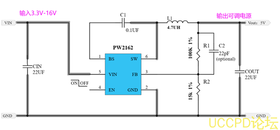
如果輸入的 5V是不穩定的,會有瞬間的 6V, 7V等電壓齣現時,則需要把 7V最高電壓納祘入輸入電壓範圍瞭。需要選擇 PW2162,PW2163,PW2203等。
PW2162是一顆 DC-DC衕步降壓轉換器芯片,輸入電壓範圍 4.5V-16V,最大可負載電流 2A,可調輸齣電壓,頻率 600kHZ高頻率,可採用貼片電感,節省空間,採用 SOT23-6封裝形式。
PW2312是一顆 DC-DC衕步降壓轉換器芯片,輸入電壓範圍 4V-30V,最大負載電流 1.2A,可調輸齣電壓,頻率 1.4MHZ高頻率,可採用貼片電感,節省空間,採用 SOT23-6封裝形式。






