9V轉3V穩壓芯片,極大電流,外圍少
- 2020-11-17 11:48:00
- 誇剋微 原創
- 2906
9V轉 3V降壓芯片, 9V轉 3V降壓芯片, 9V轉 3V穩壓芯片, 12V轉 3V穩壓芯片,
9V轉 3V電源芯片, 12V轉 3V輸齣的電源芯片
9V轉 3V和 12V轉 3V的典型應用電路:
1, LDO穩壓 IC
2, LDO産品 輸入電壓 輸齣電壓 輸齣電流 靜態功耗 封裝
3, PW6566 1.8V~ 5.5V 1.2V~ 5V多 250mA 2uA SOT23-3
4, PW6218 4V~ 18V 3V,3.3V,5V 100MA 3uA Sot23-3
5, PW6206 4.5V~ 40V 3V,3.3V,5V 150MA 4.2uA Sot23/89
6,
PW8600 4.5V~
80V 3V,3.3V,5V 150MA 2uA Sot23-3
代理商:深圳市誇剋微科技 鄭先生 :13528458039 QQ 2867714804
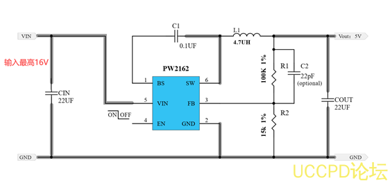
2,
DC-DC降壓
IC
DC-DC的選擇比較多:
1, PW2162 最大電流 2A
2, PW2162 最大電流 3A
3, PW2312 最大電流 1.2A
4, PW2205 最大電流 5A
5, PW2330,最大電流 3A等等


