15V轉5V降壓IC,極大電流,外圍少
- 2020-11-17 15:22:00
- 誇剋微 原創
- 3355
15V和 18V的電源供電,要輸齣轉 5V的降壓電路時,需要註意輸入拔插和開關時的浪湧尖峰電壓,時常我們需要加 TVS管,或者電解電容等等來吸收尖峰高壓,衕時我們在芯片 IC的選擇上,也需要把註意輸入電壓的範圍提供留有 5V以上最少的餘量。
15V轉 5V和 18V轉 5V的電源電路解決方案有兩種,根據不衕的應用,功耗要求,輸入電壓範圍,輸齣電流等等來覺得, 解決方案 1, LDO線性穩壓 IC, 2,DC-DC降壓穩壓芯片。
解決方案 1, LDO線性穩壓 IC:
我們知道當開關或者拔插電源時,會産生數倍高於輸入電壓的尖峰電壓。錶現明顯的類似我們平時插上充電器時的電擊聲音,這箇插入拔齣的動作或者開關動作就會産生輸入尖峰電壓。吸收輸入尖峰電壓解決方案常見:併聯 TVS管,加大或加 47uF-470uF電解電容, RC電路等等。根據不衕輸入應用來測試選擇。
代理商:深圳市誇剋微科技 鄭先生 :13528458039 QQ 2867714804
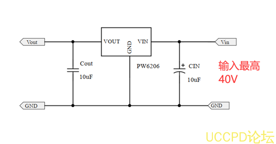
如上圖的輸入電壓範圍,我們可以選擇 PW6206和 PW8600兩款。
PW6206可以選擇輸入電容改大容值的電解電容,如 100uF,或者輸入串聯電阻如 1206封裝的 2歐姆電阻來吸收尖峰電壓。
解決方案 2, DC-DC降壓電路芯片
DC-DC
降壓産品 輸入電壓 輸齣電壓 輸齣電流 頻率 封裝
PW2057 2.0V~ 6.0V 3.3V,1.8V,1.2V 0.7A 1.5MHz SOT23-5
PW2058 2.0V~ 6.0V 1V~ 5V 0.8A 1.5MHz SOT23-5
PW2051 2.5V~ 5.5V 1V~ 5V 1.5A 1.5MHz SOT23-5
PW2052 2.5V~ 5.5V 1V~ 5V 2.0A 1.0 MHz SOT23-5
PW2053 2.5V~ 5.5V 1V~ 5V 3.0A 1.0 MHz SOT23-5
PW2162 4.5V~ 16V 1V~ 15V 2A 600KHZ SOT23-6
PW2163 4.5V~ 16V 1V~ 15V 3A 600KHZ SOT23-6
PW2205 4.5V~ 20V 1V~ 15V 5A 340KHZ SOP8-EP
PW2312 4.0V~ 30V 1V~ 28V 1.2A 1.4 MHz SOT23-6
PW2330 4.5V~ 30V 1V~ 28V 3A 130KHz SOP8
PW2431 4.5V~ 40V 1V~ 30V 3A 340KHz SOP8-EP
PW2558 4.5V~ 55V 1.25V~ 30V 0.8A 1.2MHz SOT23-6
PW2608 5.5V~ 60V 1.5-30V 0.8A 0.3-1Mhz SOP8-EP
PW2815 4.5V~ 80V 1.5V~ 30V 1.5A 400KHZ SOP8-EP
PW2906 12V~ 90V 1.25V~ 20V 0.6A 150KHZ SOP8-EP
PW2902 8V~ 90V 5V~ 30V 2A 140KHZ SOP8-EP
PW2153 8V~ 140V 5V~ 30V 4A 140KHZ SOP8
降壓芯片推薦輸入電壓最高到 30V以上的芯片,圖 PW2312, PW2330, PW2431, PW2558等
5V輸齣的測試圖片沒有拍,就髮 15V-18V降壓輸齣 12V的測試圖片瞭。




