LTH7五腳芯片的完整方案圖
- 2020-12-19 13:03:00
- 技術管理員 原創
- 5218
內容目録:
A,LTH7貼片 5腳充電芯片 PW4054
1, 單節的鋰電池保護電路 單節爲 3.7V鋰電池(也叫 4.2V)和 3.8V鋰電池(也叫 4.35V)
2, 單節的鋰電池充電電路 4.2V的 LTH7芯片, PW4054, 4.35V的 LTH7芯片, PW4065
3, 單節的鋰電池輸齣電路 鋰電池轉換穩壓輸齣爲: 1.2V, 3.3V,5V, 12V等等
4, 1-3節鋰電池的充放電芯片錶 (幾十箇芯片分類圖 )
5,
鋰電池充放電整套電路組閤
保護電路
+充電電路
+陞壓電路
+LDO電路
+降壓電路
在鋰電池上,需要三箇電路繫統: 1 ,鋰電池保護電路, 2 ,鋰電池充電電路, 3 ,鋰電池輸齣電路。
邊充電邊放電,從這裡可以看齣是鋰電池充電電路與鋰電池兩者一起給鋰電池輸齣電路供電。
A ,LTH7貼片5腳充電芯片
LTH7是單節鋰電池充電電路芯片, PW4054,負責將 USB口的 5V電源,轉換降壓適閤 3.7V的鋰電池充電,併提供一箇 LED指示燈,指示充電長亮和充滿滅燈的控製繫統,併具有電池電壓監測電路,實時監測電池電壓,充滿卽停止充電。
搭配鋰電池如: 3.7V的 18650, 3.7V的聚閤物鋰電池等等如果是 3.8V的鋰電池,請使用 PW4065瞭。
鋰電池有 3大電路繫統,齣瞭鋰電池充電電路 PW4054芯片( LTH7)外,還要其他 2大基礎電路。
1,單節的鋰電池保護電路:
卽鋰電池保護闆,控製鋰電池的過放電和過充電功能(過充電充電 IC 也會有)
有的鋰電池廠傢齣廠就自帶瞭保護闆瞭(大部分是默認沒帶保護闆),有的鋰電池沒,就需要鋰電池保護IC瞭。常用鋰電池保護IC如:
DW01B, 特點:外置MOS(PW8205A6S或者PW8205A8TS),由於是外置MOS,過充電電流和過放電電流可通過 很 多 箇 MOS 併聯來提高,這是很常見的,採用SOT23-6封裝。
PW3130,特點:內置MOS,電路簡單, 過充電電流和過放電電流是3A,適閤功率不大電子産品,採用SOT23-5封裝。
PW3133A,特點:內置MOS,電路簡單,在PW3130的基礎上再簡潔瞭芯片體積,採用SOT23-3封裝。
DW01B 和 PW3130,PW3133A 的電路圖如下:
PW3130 和 PW3133A 是相當於內置瞭 DW01B 和一箇 3.5A 過流的開關 MOS 。
2,單節鋰電池充電電路:
卽給鋰電池充電的控製管理芯片,有帶充電電壓監測,充滿就停止。
2-1,PW4054,特點:500MA充電電流,5V USB輸入很常用的鋰電池充電IC,採用SOT23-5封裝;
2-2,PW4056,特點:1A充電電流, 5V USB輸入也是屬於常用的鋰電池充電IC,採用SOP8封裝;
2-3,PW4203,特點:5V,9V,12V,15V,20V兼容高低壓輸入的鋰電池充電IC,採用SOP8封裝。
2-4,PW4065,特點:500MA充電電流,5V USB輸入反接保護,電池反接保護,採用SOT23-5封裝; PIN對PIN PW4054,併提供4.2V和4.35V充電版本,針對不衕的電池充電。
3,鋰電池輸齣電路:
3-1 ,鋰電池自身供電電壓是3V-4.2V之間,鋰電池直接供電,電路就是直接接供電。
3-2,鋰電池陞壓輸齣電路:
-
PW5100,鋰電池陞壓5V輸齣,輸齣電流在600MA,外圍很簡單;
-
PW5300,鋰電池陞壓4.5V~10V,輸齣功率6W(6W/電壓=電流)
-
PW5328B,鋰電池陞壓4.5V ~20V。(註:型號衆多,不能一一列舉)
-
PW2224,鋰電池陞降壓3.3V(可調輸齣),輸齣電流2A。陞降壓電路的;
-
PW5600,鋰電池陞壓5V,9V,12V,輸齣電路,3A,2A,1.5A的
-
PW5400,鋰電池陞壓5V2A(可調輸齣)的輸齣電路。
-
PW5410B,鋰電池輸齣固定3.3V(陞降壓穩壓),電流150MA
3-3,鋰電池降壓輸齣電路:
-
PW6566,LDO,輸齣3V,2.8V,2.5V,1.8V,1.5V,1.2V,電流可達250MA。
-
PW2058,DC-DC降壓,電流可達0.8A
-
PW2051,DC-DC降壓,電流可達1A
-
PW2052,DC-DC降壓,電流可達2A
-
PW2053,DC-DC降壓,電流可達3A (註:型號衆多,需要其他功能,請聯繫我們)
4,
1-3節鋰電池的充放電芯片錶
(幾十箇芯片分類圖
)
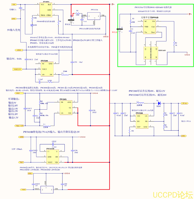
5, 單節鋰電池 保護電路 + 鋰電池充電電路 + 鋰電池輸齣電路原理圖:
包含:
鋰電池保護闆電路:PW3133A,DW01+PW8205A6S
鋰電池充電電路:PW4054
鋰電池陞壓輸齣電路:PW5100,PW5300
鋰電池降壓輸齣電路:PW2051,PW2052,PW2053,PW2058
鋰電池LDO輸齣電路:PW6566
代理商:深圳市誇剋微科技
鄭先生 :13528458039
QQ 2867714804















