AS11D芯片,AS11D降壓穩壓芯片,可調輸齣
- 2020-09-12 15:24:00
- 誇剋微 原創
- 5751
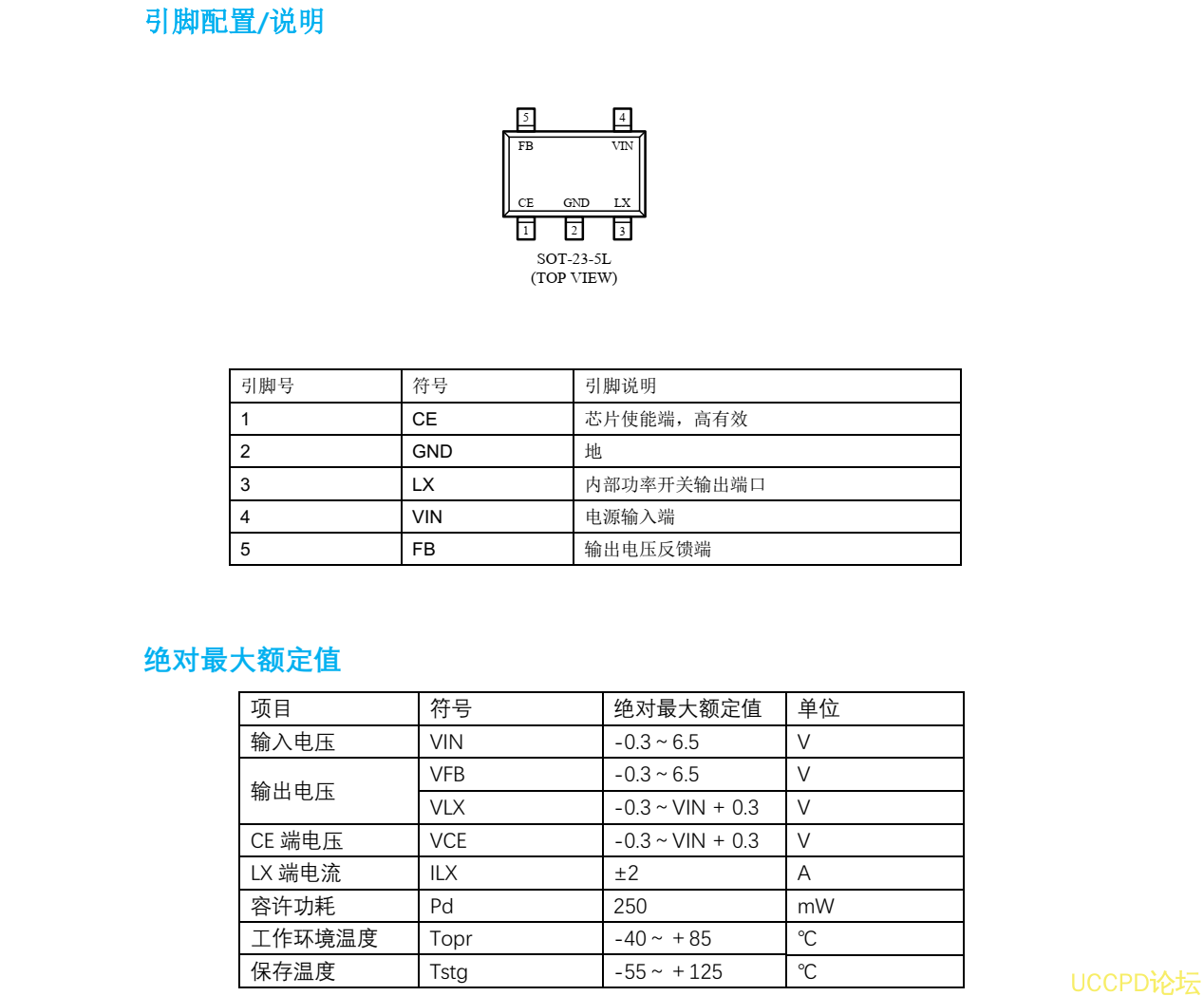
(AS11D)PW2051 是一款由基準電壓源、振蕩電路、比較器、 PWM/PFM 控製電路等構成的 CMOS 降壓型 DC/DC 調整器。利用 PWM/PFM 自動切換控製電路達到可調佔空比,具有全輸入電壓範圍內的低紋波、高效率和大輸齣電流等特點。 PW2051 AS11D )內置功率 MOSFET, 集成瞭過壓、過流、過熱、短路等諸多保護電路,在超過控製值時會自動斷開,以保護芯片。本産品結閤瞭微型封裝和低消耗電流等特點,最適閤在移動設備的電源內部使用。 PW2051 AS11D )最大輸齣電流 1.5A,超高效率 95%。
AS11D芯片電路圖: 可調輸齣電壓

