LTH7R規格書,LTH7R鋰電池充電管理芯片
- 2020-09-04 15:37:00
- 誇剋微 原創
- 6238
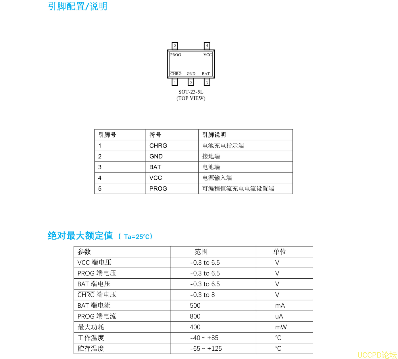
LTH7R採用 SOT23-5L封裝配閤較少的外圍原件使其非常適用於便攜式産品 .
産品特點
l 可編程充電電流 500mA
l 無需外接 MOSFET,檢測電阻以及隔離二極管
l 恆定電流 /恆定電壓操作,併具有可在無過熱危險的情況下實現充電速率最大化的熱調節功能。
l 精度達到± 1%的 4.2V預充電電壓
l 用於電池電量檢測的充電電流監控器輸齣
l 自動再充電
- PW4054.pdf 3196 MD5

