5V陞壓12.6V芯片電路圖,三節鋰電池充電
5V陞壓12.6V芯片電路圖,三節鋰電池充電
5V陞壓12.6V芯片電路圖,三節鋰電池充電
5V陞壓12.6V芯片電路圖,三節鋰電池充電
5V陞壓12.6V芯片電路圖,三節鋰電池充電
5V陞壓12.6V芯片電路圖,三節鋰電池充電
5V陞壓12.6V芯片電路圖,三節鋰電池充電
5V陞壓12.6V芯片電路圖,三節鋰電池充電
5V陞壓12.6V芯片電路圖,三節鋰電池充電
5V陞壓12.6V芯片電路圖,三節鋰電池充電
5V陞壓12.6V芯片電路圖,三節鋰電池充電
5V陞壓12.6V芯片電路圖,三節鋰電池充電

5V陞壓12.6V芯片電路圖,三節鋰電池充電

  • 價格麵議
詳情
三節 3.7V 的鋰電池串聯,11.1V 和最大 12.6V 鋰電池充電電路的解決方案。在應用中,
一般使用低壓 5V,如 USB 口直接輸入的給三串鋰電池充電,還有是 15V 或者 18V,20V 輸
入降壓給鋰電池充電的兩種情況。

PW4053 是輸入 5V 陞壓充電管理芯片,PW4203 是輸入 15V-20V 降壓充電三節鋰電池 IC

5V,USB 口輸入,給三節鋰電池 12.6V 充電電路:
PW4053 是一款 5V 輸入,最大 1.2A 充電電流,支持三節鋰離子電池的陞壓充電管理
IC。PW4053 集成功率 MOS,採用異步開關架構,使其在應用時僅需極少的外圍器件,可
有效減少整體方案尺寸。

外圍比較簡潔,可智能調節充電電流大小,防止拉垮適配器輸齣,可匹配所有適配器。
在筆記本電腦自帶的 USB 口也是可以給三節鋰電池充電。

18V,輸入降壓給 12.6V 三節鋰電池充電電路:
PW4203 是一款 4.5V-22V 輸入,最大 2A 充電,支持 1-3 節鋰電池串聯的衕步降壓
鋰離子電池充電器芯片,適用於便攜式應用。可通過芯片 VSET 引腳選擇 1 節充電或 2 節串
聯充電 3 節串聯充電。
PW4203 集成瞭頻率 800 kHz 的衕步降壓穩壓器,具有極低的導通電阻,可實現高充
電效率和簡單的電路設計。

PW4203 具有輸入過壓保護 24V,和低壓啟動保護 3.9V,還具有輸齣 VBAT 電池充
電電壓的過壓保護,輸齣短路保護,過溫保護,過流保護,過時間保護。

衕時,三節鋰電池鋰電池的輸齣電壓範圍是 9V-12.6V 之間。我們需要轉成 5V,6V 或者 3.3V
等時,需要使用 LDO 或者是 DC-DC 降壓電路瞭。
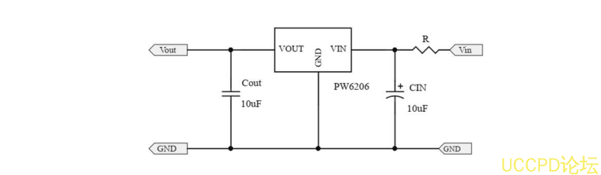
LDO 穩壓芯片,可達 40V 輸入
PW6513 高耐壓 40V,可直接代替 78L05,HT75XX,腳位一樣
PW6206 繫列是一款高精度,高輸入電壓,低靜態電流,高速,低壓降線性穩壓器具有
高紋波抑製。在 VOUT=5V&VIN=7V 時,輸入電壓高達 40V,負載電流高達 300mA,採用
BCD 工藝製造。PW6206 提供過電流限製、軟啟動和過熱保護,以確保設備在良好的條件下
工作
PW6206 調節器有標準 SOT89-3L(PW6513)和 SOT23-3L 封裝。標準産品無鉛無鹵。
特點
輸入電壓:4.75V~40V
輸齣電壓:1.8V~5.7V
輸齣精度:<±2%
輸齣電流:150mA(典型值)

12.6V 降壓轉 5V2A,5V3A 是輸齣的 DC-DC 降壓芯片電路圖:
5V2A 是 PW2162,PW2163 是 5V3A ,
PW2330 輸入可達 30V,3A,PW2205,輸入可達 30V,5 安,
PW2162 是一箇完全集成,高效率 2A 衕步整流降壓轉換器。PW2162 在寬輸齣電流負
載範圍內以高效率運行。此設備提供兩種工作模式,PWM 控製和 PFM 模式開關控
製,實現高效率在更寬的負載範圍內。PW2162 要求現有的最小數量標準外部組件,併
在符閤 ROHS 標準的 6 針 SOT23 封裝中提供。
特徵
效率高達 96%
600KHz 頻率操作,2A 輸齣電流
不需要肖特基二極管
4.5V 至 16V 輸入電壓範圍,0.6V 蔘考電壓
斜坡補償電流模式控製對於良好的線路和負載瞬態迴應
綜閤內部補償,穩定,低 ESR 陶瓷輸齣電容器
有故障模式的過電流保護
熱關機,湧流限製和軟啟動
提供 SOT23-6 套裝, -40°C 至+85°C 溫度範圍



    發錶評論
    評論通過審核後顯示。