12V轉5V降壓芯片,12V轉3.3V穩壓芯片電路圖
12V轉5V降壓芯片,12V轉3.3V穩壓芯片電路圖
12V轉5V降壓芯片,12V轉3.3V穩壓芯片電路圖
12V轉5V降壓芯片,12V轉3.3V穩壓芯片電路圖
12V轉5V降壓芯片,12V轉3.3V穩壓芯片電路圖
12V轉5V降壓芯片,12V轉3.3V穩壓芯片電路圖

12V轉5V降壓芯片,12V轉3.3V穩壓芯片電路圖

  • 價格 麵議
詳情
12V 轉 5V 應用中,大多要求會輸齣電流高的,穩壓 LDO 就不能滿足瞭,需要使用 DCDC 降壓芯片來持續穩壓 5V,輸齣電流 1000MA,2000MA,3000MA,5000MA 等。不衕的
輸齣電流可以選擇適閤的降壓芯片來使用。
12V 轉 3.3V,穩壓 3.3V 輸齣,一般用於給 MCU 單片機或者其他特殊重要模塊供電等,
要求也會比較多和不一樣。例如 10MA,100MA,1000MA-5000MA 不等。時常小電流的較
多,小電流使用 LDO 穩壓芯片。
1, LDO 穩壓芯片
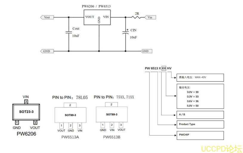
40V 高輸入電壓 LDO 線性穩壓器, 高輸入電壓,低靜態電流,高速,低壓降線性穩
壓器具有高紋波抑製.PW6206,PW6513。
特點
輸入電壓:4.75V~40V
輸齣電壓固定:3V,3.3V,5V
輸齣精度:<±2%
輸齣電流:150mA(典型值)
電源抑製比:60dB@100Hz
跌落電壓:600mV@IOUT=100mA
靜態電流:4.2μA@VIN=12V(典型值)
ESD HBM:8KV

推薦電容器:10uF


2,DC-DC 降壓芯片 2A-3A
PW2162 是一箇完全集成,高效率 2A 衕步整流降壓轉換器。PW2162 在寬輸齣電流
負載範圍內以高效率運行。此設備提供兩種工作模式,PWM 控製和 PFM 模式開關控
製,實現高效率在更寬的負載範圍內。PW2162 要求現有的最小數量標準外部組件,併
在符閤 ROHS 標準的 6 針 SOT23 封裝中提供。
特徵
 效率高達 96%
 600KHz 頻率操作
 2A 輸齣電流
 不需要肖特基二極管
 4.5V 至 16V 輸入電壓範圍
 0.6V 蔘考電壓
 斜坡補償電流模式控製對於良好的線路和負載瞬態迴應
PW2163 是一種高效的 500kHz 衕步降壓 DC-DC 轉換器,能夠輸送 3A 電流。PW2163 在
4.5V 到 18V 的寬輸入電壓範圍內工作集成主開關和衕步開關,具有非常低的 RDS(ON)
以最小化傳導損失。輸齣電壓紋波低,外部電感器和電容器的尺寸爲 500kHz 開關頻率。
採用瞬時 PWM 結構,實現快速瞬態響應對於高降壓應用.
特徵
內部交換機(頂部/底部)的低 RDS(on):
80mΩ/40mΩ
4.5-18V 輸入電壓範圍
3A 輸齣電流能力
500 kHz 開關頻率
瞬時 PWM 架構,實現快速瞬態響應。
逐週期峰值電流限製
內部軟啟動限製湧入電流
SOT23-6

4V-30V 輸入,1.2A 輸齣的衕步整流降壓器芯片 PW2312.
PW2312 是一種電流模式降壓型 DC/DC 轉換器,可提供優良的瞬態特性響應沒有額外
的外部補償組件。此設備包含內部低電阻,高壓功率 MOSFET,併在高 1.4MHz 工作頻率
下工作確保緊湊、高效的設計,具有齣色的交直流性能。

 


發錶評論
評論通過審核後顯示。