USB 輸入電路闆 3.7V 的鋰電池組,充電電流最大2A 的電路闆 9號
這是一款
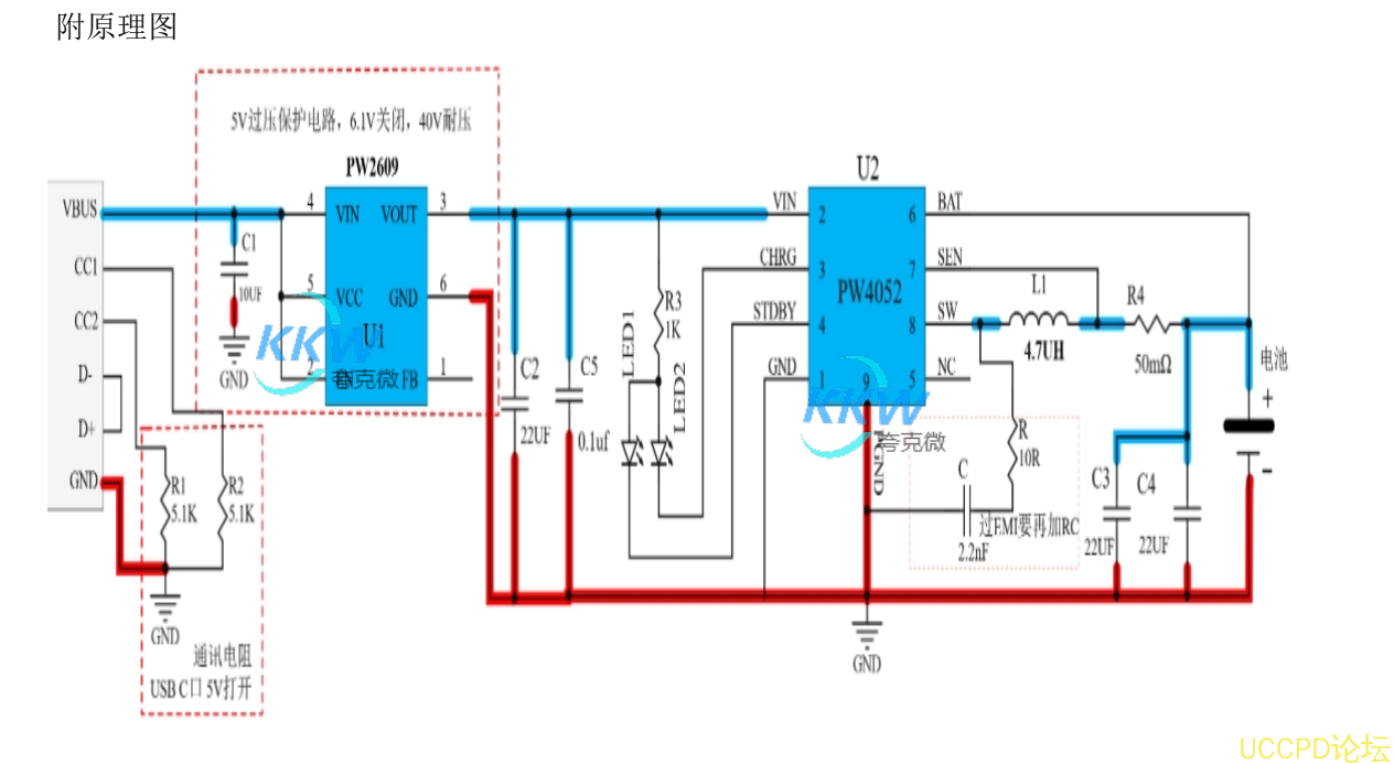
USB
輸入電路闆, 可以用於便捷充電設備等。 牠適用於
3.7V
的鋰電池組, 可以支
持多箇併聯或單箇串聯的電池, 充滿電後電壓爲 4.2V 。
該電路闆可以接受 5V 的輸入電壓, 併且能夠提供最大 2A 的充電電流。當電池正在充電時,
指示燈會亮起,當電池充滿時,指示燈會變成紅色。
持多箇併聯或單箇串聯的電池, 充滿電後電壓爲 4.2V 。
該電路闆可以接受 5V 的輸入電壓, 併且能夠提供最大 2A 的充電電流。當電池正在充電時,
指示燈會亮起,當電池充滿時,指示燈會變成紅色。
詳情
這是一款
USB
輸入電路闆, 可以用於便捷充電設備等。 牠適用於
3.7V
的鋰電池組, 可以支
持多箇併聯或單箇串聯的電池, 充滿電後電壓爲 4.2V 。
該電路闆可以接受 5V 的輸入電壓, 併且能夠提供最大 2A 的充電電流。當電池正在充電時,
指示燈會亮起,當電池充滿時,指示燈會變成紅色。
這箇電路闆使用瞭兩箇芯片, 分彆是 PW4052 和 PW2609 。 PW4052 是鋰電池充電管理芯片,
可以支持最高 2.5A 的充電電流,適用於單箇串聯的鋰電池。 PW2609 是過壓保護芯片,可
以防止輸入電壓過高損壞電路闆。牠可以檢測到輸入電壓是否高於設定值, 如果高於 6.1V ,
則自動關閉輸入。此外, 牠還可以防止由於 USB 熱插拔或快速充電器的高電壓尖峰損壞電
路闆,保護電路闆和設備的安全。
持多箇併聯或單箇串聯的電池, 充滿電後電壓爲 4.2V 。
該電路闆可以接受 5V 的輸入電壓, 併且能夠提供最大 2A 的充電電流。當電池正在充電時,
指示燈會亮起,當電池充滿時,指示燈會變成紅色。
這箇電路闆使用瞭兩箇芯片, 分彆是 PW4052 和 PW2609 。 PW4052 是鋰電池充電管理芯片,
可以支持最高 2.5A 的充電電流,適用於單箇串聯的鋰電池。 PW2609 是過壓保護芯片,可
以防止輸入電壓過高損壞電路闆。牠可以檢測到輸入電壓是否高於設定值, 如果高於 6.1V ,
則自動關閉輸入。此外, 牠還可以防止由於 USB 熱插拔或快速充電器的高電壓尖峰損壞電
路闆,保護電路闆和設備的安全。
深圳市誇剋微科技 IC代理 鄭R:13528458039
發錶評論