 
 PW2330 的降壓電路闆 51號
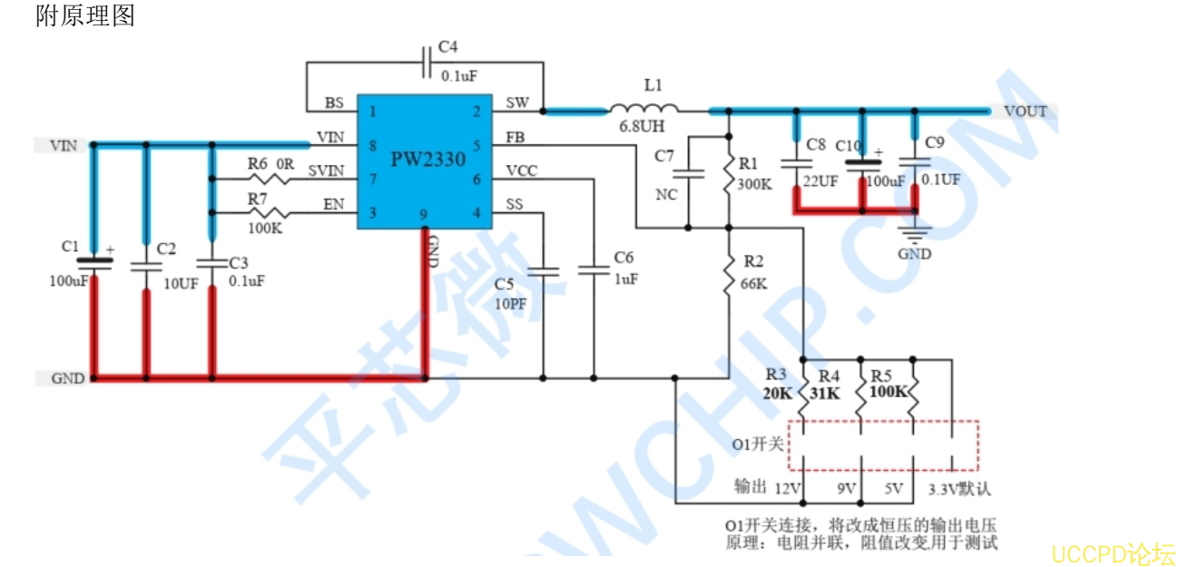
                        這是一塊名爲 
                        PW2330 
                        的降壓電路闆,主要用於電壓降壓轉換。 牠可以將輸入電壓範圍在
4.5V 至 30V 的電壓轉換爲 5V 、 3.3V 、 9V 和 12V 的輸齣電壓。 其中, 降壓芯片 PW2330 是實
現電壓降壓的關鍵元件。 牠可以通過調節 R1 和 R2 來設置恆定輸齣電壓,併且最大輸齣電
流可達 3A 。 芯片封裝爲 ESOP8 。
                      
 
                    4.5V 至 30V 的電壓轉換爲 5V 、 3.3V 、 9V 和 12V 的輸齣電壓。 其中, 降壓芯片 PW2330 是實
現電壓降壓的關鍵元件。 牠可以通過調節 R1 和 R2 來設置恆定輸齣電壓,併且最大輸齣電
流可達 3A 。 芯片封裝爲 ESOP8 。
詳情
 
                  這是一塊名爲 
                  PW2330 
                  的降壓電路闆,主要用於電壓降壓轉換。 牠可以將輸入電壓範圍在
4.5V 至 30V 的電壓轉換爲 5V 、 3.3V 、 9V 和 12V 的輸齣電壓。 其中, 降壓芯片 PW2330 是實
現電壓降壓的關鍵元件。 牠可以通過調節 R1 和 R2 來設置恆定輸齣電壓,併且最大輸齣電
流可達 3A 。 芯片封裝爲 ESOP8 。
                  
 
                4.5V 至 30V 的電壓轉換爲 5V 、 3.3V 、 9V 和 12V 的輸齣電壓。 其中, 降壓芯片 PW2330 是實
現電壓降壓的關鍵元件。 牠可以通過調節 R1 和 R2 來設置恆定輸齣電壓,併且最大輸齣電
流可達 3A 。 芯片封裝爲 ESOP8 。
深圳市誇剋微科技 IC代理 鄭R:13528458039
                    
                    
                     
                  
 
                       
                       發錶評論 
                    
 
                     
 
                          