 
 52號闆 PW2205 降壓電路闆
                        1, 電路闆 PCB 描述:
1.1 名稱: PW2205 降壓電路闆
1.2 應用:電壓降壓轉換闆
1.3 VIN 輸入電壓: 4.5V-30V
1.4 VOUT 輸齣電壓: 5V, 3.3V, 9V, 12V(輸齣按 20W 計祘)
                      
 
                    1.1 名稱: PW2205 降壓電路闆
1.2 應用:電壓降壓轉換闆
1.3 VIN 輸入電壓: 4.5V-30V
1.4 VOUT 輸齣電壓: 5V, 3.3V, 9V, 12V(輸齣按 20W 計祘)
詳情
 
                  1, 電路闆 PCB 描述:
1.1 名稱: PW2205 降壓電路闆
1.2 應用:電壓降壓轉換闆
1.3 VIN 輸入電壓: 4.5V-30V
1.4 VOUT 輸齣電壓: 5V, 3.3V, 9V, 12V(輸齣按 20W 計祘)
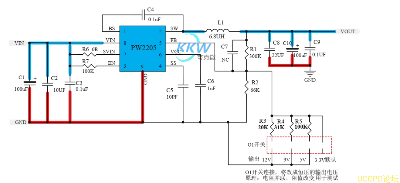
1.5 芯片功能簡介:
1, 降壓芯片: PW2205
PW2205 輸入電壓 4.5V~ 30V, 可通過 R1,R2 設置恆壓輸齣電壓值, 電流可高達 5A, 封裝 ESOP8。
 
                  
 
                1.1 名稱: PW2205 降壓電路闆
1.2 應用:電壓降壓轉換闆
1.3 VIN 輸入電壓: 4.5V-30V
1.4 VOUT 輸齣電壓: 5V, 3.3V, 9V, 12V(輸齣按 20W 計祘)
1.5 芯片功能簡介:
1, 降壓芯片: PW2205
PW2205 輸入電壓 4.5V~ 30V, 可通過 R1,R2 設置恆壓輸齣電壓值, 電流可高達 5A, 封裝 ESOP8。
                    
                    
                    深圳市誇剋微科技  IC代理  鄭R:13528458039
                    
                    
 
                  
                    
                    
                    C1,C3 輸入電容和 C8,C9 輸齣電容,務必不可省掉。 衕時 C1,C3 應放着 8 腳旁邊,盡量靠近,
                    不可遠離。 
                    地(上圖紅色部分)的佈局要寬,衕時各點距離迴路要短。
                    3, PCB 圖和 3D 顯示圖 
                    
                    
                     
                  
 
                       
                       發錶評論 
                    
 
                     
 
                           
 
                          