 
 102號兩節串聯鋰電池充放電闆,5V2A 輸入和輸齣
                        1 電路闆 PCB 描述:
1.1 名稱:兩節串聯鋰電池充放電闆,5V2A 輸入和輸齣
1.2 應用:便捷充電設備等
1.3 電池組: 7.4V 鋰電池組,兩串多併, 充滿 8.4V
1.4 輸入(USB1): 5V2A (充電亮燈,充滿轉燈,無電池閃燈) ,
1.5 輸齣(USB2): 5V2.4A (最大 3A)
 
                    1.1 名稱:兩節串聯鋰電池充放電闆,5V2A 輸入和輸齣
1.2 應用:便捷充電設備等
1.3 電池組: 7.4V 鋰電池組,兩串多併, 充滿 8.4V
1.4 輸入(USB1): 5V2A (充電亮燈,充滿轉燈,無電池閃燈) ,
1.5 輸齣(USB2): 5V2.4A (最大 3A)
詳情
 
                  1 電路闆 PCB 描述:
1.1 名稱:兩節串聯鋰電池充放電闆,5V2A 輸入和輸齣
1.2 應用:便捷充電設備等
1.3 電池組: 7.4V 鋰電池組,兩串多併, 充滿 8.4V
1.4 輸入(USB1): 5V2A (充電亮燈,充滿轉燈,無電池閃燈) ,
1.5 輸齣(USB2): 5V2.4A (最大 3A)
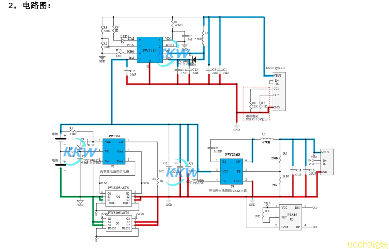
1.6 芯片功能簡介:
1, B 鋰電池充電電路: PW4584
PW4584 鋰電池充電管理芯片, 內置 MOS, 可達輸齣 8.4V 1A 充電, 支持 5V 輸入陞壓兩串鋰
電池充電。
2, A 鋰電池保護電路: PW7052
PW7052 兩串鋰電池得過充,過放,過流檢測保護電路芯片, 併聯 MOS 可增加過流保護值
3, 鋰電池輸齣電路: PW2163
PW2163 DC-DC 降壓恆壓芯片, 輸入 4.5V-18V,可調恆壓輸齣, , 輸齣可達 5A3A 電流。
 
                1.1 名稱:兩節串聯鋰電池充放電闆,5V2A 輸入和輸齣
1.2 應用:便捷充電設備等
1.3 電池組: 7.4V 鋰電池組,兩串多併, 充滿 8.4V
1.4 輸入(USB1): 5V2A (充電亮燈,充滿轉燈,無電池閃燈) ,
1.5 輸齣(USB2): 5V2.4A (最大 3A)
1.6 芯片功能簡介:
1, B 鋰電池充電電路: PW4584
PW4584 鋰電池充電管理芯片, 內置 MOS, 可達輸齣 8.4V 1A 充電, 支持 5V 輸入陞壓兩串鋰
電池充電。
2, A 鋰電池保護電路: PW7052
PW7052 兩串鋰電池得過充,過放,過流檢測保護電路芯片, 併聯 MOS 可增加過流保護值
3, 鋰電池輸齣電路: PW2163
PW2163 DC-DC 降壓恆壓芯片, 輸入 4.5V-18V,可調恆壓輸齣, , 輸齣可達 5A3A 電流。
                    
                    
                    深圳市誇剋微科技  IC代理  鄭R:13528458039
                    
                    
                    
                    
                    PCB 佈局分兩部分電路:信號控製電路+功率電路
                    藍色粗線功率走線佈局寬; SW 部分(PW2163 的 PIN 腳 6 和 L1,D1,Q1 三器件的相接處)因
                    爲是功率輸齣要佈局寬,但還因爲是噪聲源麵積要小。
                    紅色粗線功率地,畵闆要點:功率地要寬,各點連接迴路距離短,地要多打孔.
                    3, PCB 圖和 3D 顯示圖 
                    
                    
                    
                    
                    
                    
                  
 
                       
                       發錶評論 
                    
 
                     
 
                           
 
                           
 
                          