18V轉12V,18V轉9V,18V轉5V降壓芯片,DC-DC和LDO
18V轉12V,18V轉9V,18V轉5V降壓芯片,DC-DC和LDO
18V轉12V,18V轉9V,18V轉5V降壓芯片,DC-DC和LDO
18V轉12V,18V轉9V,18V轉5V降壓芯片,DC-DC和LDO
18V轉12V,18V轉9V,18V轉5V降壓芯片,DC-DC和LDO

18V轉12V,18V轉9V,18V轉5V降壓芯片,DC-DC和LDO

  • 價格 麵議
詳情

18V12V18V9V18V5V18V3.3V18V3V

18V常降壓轉成 5V電壓, 3.3V電壓和 3V電壓給其他芯片或設備供電,適用於這箇電壓的 DC-DC很多, LDO也是有可以選擇的。 LDO芯片如 PW6206PW8600等。 DC-DC芯片如: PW2162,PW2312,PW2330等等很多選擇。如下錶

DC-DC 産品

輸入電壓

輸齣電壓

輸齣電流

頻率

封裝

PW2058

2.0V-6.0V

1V-5V

0.8A

1.5MHz   

SOT23-5

PW2051

2.5V-5.5V

1V-5V

1.5A

1.5MHz

SOT23-5

PW2052

2.5V-5.5V

1V-5V

2.0A

1.0 MHz

SOT23-5

PW2053

2.5V-5.5V

1V-5V

3.0A

1.0 MHz

SOT23-5

PW2162

4.5V-16V

1V-15V

2A

600KHZ

SOT23-6

PW2183

4.5V-18V

1V-15V

3A

600KHZ

SOT23-6

PW2312

4.0V-30V

1V-28V

1.2A

1.4 MHz

SOT23-6

PW2330

4.5V-30V

1V-28V

3A

130KHz

SOP8

PW2558

4.5V-55V

1.25V-30V

0.8A

1.2 MHz

SOT23-6

PW2815

4.5V-80V

1.5V-30V

1.5A

400KHZ

SOP8-EP

PW2906

12V-90V

1.25V-20V

0.6A

150KHZ

SOP8-EP

PW2902

8V-90V

5V-30V

2A

140KHZ

SOP8-EP

PW2153

8V-150V

5V-30V

3A

140KHZ

SOP8

LDO産品

輸入電壓

輸齣電壓

輸齣電流

靜態功耗

封裝

PW6566

1.8V-5.5V

1.2V-5V

250mA

2uA

SOT23-3

PW6218

4V-18V

3V,3.3V,5V

100MA

3uA

Sot23-3

PW6206

4.5V-40V

3V,3.3V,5V

150MA

4.2uA

Sot23/89

PW8600

4.5V-80V

3V,3.3V,5V

150MA

2 uA

Sot23-3

18V輸入中,比較閤適的 LDO可以選擇: PW6206,輸齣電壓 3V,3.3V,5V

輸入電壓最高 40V,功耗也低 4uA左右。

18V輸入中,比較閤適的 DC-DC可以選擇: 2APW21621.2APW23123APW2330都最閤適的。

PW2162是一顆 DC-DC衕步降壓轉換器芯片,輸入電壓範圍 4.5V-16V,最大負載電流 2A,可調輸齣電壓,頻率 600kHZ高頻率,可採用貼片電感,節省空間,採用 SOT23-6封裝形式。


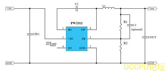
PW2312是一顆 DC-DC衕步降壓轉換器芯片,輸入電壓範圍 4V-30V,最大負載電流 1.2A,可調輸齣電壓,頻率 1.4MHZ高頻率,可採用貼片電感,節省空間,採用 SOT23-6封裝形式。



PCB圖適用於 PW2162PW2312案例:



代理商:深圳市誇剋微科技
 鄭先生 :13528458039 

QQ 2867714804

發錶評論
評論通過審核後顯示。