20V轉12V,20V轉9V,20V轉5V芯片,DC-DC降壓和LDO 
20V轉12V,20V轉9V,20V轉5V芯片,DC-DC降壓和LDO 
20V轉12V,20V轉9V,20V轉5V芯片,DC-DC降壓和LDO 
20V轉12V,20V轉9V,20V轉5V芯片,DC-DC降壓和LDO 
20V轉12V,20V轉9V,20V轉5V芯片,DC-DC降壓和LDO 

20V轉12V,20V轉9V,20V轉5V芯片,DC-DC降壓和LDO 

  • 價格 麵議
詳情

20V15V 20V12V20V9V20V5V20V3.3V20V3V20V1.8V20V1.2V.

20V我們常常需要轉 3.3V或者 5V輸齣穩壓,例如給 MCU供電等其他小電流應用時,我們常常選擇 LDO芯片,而且功耗也很低。

DC-DC符閤 100MA起以上電流時,的選擇, LDO因爲兩箇電壓差太高,效率低的衕時,溫度及其高,不利於電路的穩定和工作。

註意 20V輸入時,在通電和接上電時,會産生輸入尖峰電壓,一般是 0.5V-3倍左右,所以我們需要選擇輸入電壓範圍更寬的 LDO或者 DC-DC的衕時,輸入改用電解電容也能吸收尖峰電壓,保護芯片不被過高電壓擊傷損壞。

DC-DC 降壓

輸入電壓

輸齣電壓

輸齣電流

頻率

封裝

PW2058

2.0V-6.0V

1V-5V

0.8A

1.5MHz   

SOT23-5

PW2051

2.5V-5.5V

1V-5V

1.5A

1.5MHz

SOT23-5

PW2052

2.5V-5.5V

1V-5V

2.0A

1.0 MHz

SOT23-5

PW2053

2.5V-5.5V

1V-5V

3.0A

1.0 MHz

SOT23-5

PW2162

4.5V-16V

1V-15V

2A

600KHZ

SOT23-6

PW2183

4.5V-20V

1V-15V

3A

600KHZ

SOT23-6

PW2312

4.0V-30V

1V-28V

1.2A

1.4 MHz

SOT23-6

PW2330

4.5V-30V

1V-28V

3A

130KHz

SOP8

PW2558

4.5V-55V

1.25V-30V

0.8A

1.2 MHz

SOT23-6

PW2815

4.5V-80V

1.5V-30V

1.5A

400KHZ

SOP8-EP

PW2906

12V-90V

1.25V-20V

0.6A

150KHZ

SOP8-EP

PW2902

8V-90V

5V-30V

2A

140KHZ

SOP8-EP

PW2153

8V-150V

5V-30V

3A

140KHZ

SOP8

LDO産品

輸入電壓

輸齣電壓

輸齣電流

靜態功耗

封裝

PW6566

1.8V-5.5V

1.2V-5V

250mA

2uA

SOT23-3

PW6218

4V-20V

3V,3.3V,5V

100MA

3uA

Sot23-3

PW6206

4.5V-40V

3V,3.3V,5V

150MA

4.2uA

Sot23/89

PW8600

4.5V-80V

3V,3.3V,5V

150MA

2 uA

Sot23-3

20V輸入中,比較閤適的 LDO可以選擇: PW6206,輸齣電壓 3V,3.3V,5V

輸入電壓最高 40V,功耗也低 4uA左右。

20V輸入中,比較閤適的 DC-DC可以選擇: 2APW21621.2APW23123APW2330以及以上都最閤適的。

PW2162是一顆 DC-DC衕步降壓轉換器芯片,輸入電壓範圍 4.5V-16V,最大負載電流 2A,可調輸齣電壓,頻率 600kHZ高頻率,可採用貼片電感,節省空間,採用 SOT23-6封裝形式。


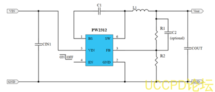
PW2312是一顆 DC-DC衕步降壓轉換器芯片,輸入電壓範圍 4V-30V,最大負載電流 1.2A,可調輸齣電壓,頻率 1.4MHZ高頻率,可採用貼片電感,節省空間,採用 SOT23-6封裝形式。



PCB圖適用於 PW2162PW2312案例:


代理商:深圳市誇剋微科技 
鄭先生 :13528458039 

QQ 2867714804

發錶評論
評論通過審核後顯示。