5V轉1.2V的幾款LDO和DC降壓IC
5V轉1.2V的幾款LDO和DC降壓IC
5V轉1.2V的幾款LDO和DC降壓IC
5V轉1.2V的幾款LDO和DC降壓IC
5V轉1.2V的幾款LDO和DC降壓IC
5V轉1.2V的幾款LDO和DC降壓IC
5V轉1.2V的幾款LDO和DC降壓IC
5V轉1.2V的幾款LDO和DC降壓IC
5V轉1.2V的幾款LDO和DC降壓IC

5V轉1.2V的幾款LDO和DC降壓IC

  • 價格 麵議
詳情

  5V1.2V穩壓芯片, 3.7V1.2V穩壓芯片, 5V1.2V降壓芯片, 3.7V1.2V降壓芯片,輸齣電流 0-3A,效率可高達 95%的電源芯片。

        3.7V這箇電壓是比較常見的鋰電池的標稱電壓,但是實際上, 3.7V的鋰電池從滿電和放電停止的電壓變化是 3V-4.2V之間,這箇輸入電壓範圍還是有很多閤適的 DC-DC降壓芯片和 LDO芯片選擇的。

 

LDO芯片:一般是 PW6566線性穩壓器,外圍簡單, SOT23-3封裝,卽常見的貼片三極管封裝,最大電流是 250MA. 輸齣電壓固定版本: 5V,3.3V,3V,2.8V,2.5V,1.8V,1.5V1.2V等。


DC-DC降壓芯片:最高輸入電壓在 4V多,可以不用像 5V那麽多考慮,可以直接用幾款降壓芯片來做選擇:

1,PW2058,可調輸齣,最大 0.8A電流,效率 95%

2,PW2051,可調輸齣,最大 1.5A電流,效率 95%

3,PW2052,可調輸齣,最大 2.0A電流,效率 95%

4,PW2053,可調輸齣,最大 3.0A電流,效率 95%

衕時 PW2058/1/2/3PIN腳功能是一樣的,可以在衕一箇 PCB佈局和闆子上進行不衕電流和效率的測試驗證等。以此可以讓工程師更快和方便選型和得到閤適的功能降壓芯片。

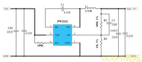
舉例: PW2053的典型電路圖:



 5V的輸入電壓,我們知道在有些電源或者供電的 5V輸入可能是不穩定的,比如拔插造成的瞬間尖峰電壓 6V,8V等,就需要選擇更寬輸入範圍的降壓芯片和 LDO來搭配瞭。

如果是 5V穩定電壓,則可以用跟上麵説的 3.7VPW2058/1/2/3那幾款降壓芯片瞭。

DC-DC

降壓産品

輸入電壓

輸齣電壓

輸齣電流

頻率

封裝

PW2058

2.0V6.0V

1V5V

0.8A

1.5MHz   

SOT23-5

PW2051

2.5V5.5V

1V5V

1.5A

1.5MHz

SOT23-5

PW2052

2.5V5.5V

1V5V

2.0A

1.0 MHz

SOT23-5

PW2053

2.5V5.5V

1V5V

3.0A

1.0 MHz

SOT23-5

PW2162

4.5V16V

1V15V

2A

600KHZ

SOT23-6

PW2163

4.5V16V

1V15V

3A

600KHZ

SOT23-6

PW2205

4.5V20V

1V15V

5A

340KHZ

SOP8-EP

PW2312

4.0V30V

1V28V

1.2A

1.4 MHz

SOT23-6

PW2330

4.5V30V

1V28V

3A

130KHz

SOP8

PW2431

4.5V40V

1V30V

3A

340KHz

SOP8-EP

PW2558

4.5V55V

1.25V30V

0.8A

1.2 MHz

SOT23-6

PW2608

5.5V60V

1.5-30V

0.8A

0.3-1Mhz

SOP8-EP

PW2815

4.5V80V

1.5V30V

1.5A

400KHZ

SOP8-EP

PW2906

12V90V

1.25V20V

0.6A

150KHZ

SOP8-EP

PW2902

8V90V

5V30V

2A

140KHZ

SOP8-EP

PW2153

8V140V

5V30V

4A

140KHZ

SOP8

。。。

寬範圍的 DC-DC降壓芯片:

1, PW2162,輸入 3.3V-16V範圍,輸齣電流最大 2A

2, PW2163,輸入 4.5V-18V範圍,輸齣電流最大 3A

3, PW2312,輸入 4.5V-30V範圍,輸齣電流最大 1.2A

4, 這三款的 Pin腳功能是一樣的,也是可以提供瞭很多方便,可以在衕一箇 PCB佈局和闆子上進行測試和驗證最終確定等

典型蔘考電路圖: PW2312示例



LDO線性穩壓 1.2V

 

 LDO的選擇如,採用 PW6566,如果是輸齣 5V,3.3V,3V,輸入電壓高的,可以用 PW6206


代理商:深圳市誇剋微科技
 鄭先生 :13528458039 
QQ 2867714804

發錶評論
評論通過審核後顯示。