 
 5V轉1.5V的幾款低功耗降壓芯片
詳情
5V轉 1.5V芯片, 3.7V轉 1.5V芯片在不衕的應用,有著不衕的電流要求 1A,2A,3A,不衕的 5V供電也有不衕的芯片選擇。 5V一般轉成 1.5V都是恆壓,固定 1.5V輸齣的模式,和最大輸齣電流。
3.7V是常規我們知道的鋰電池多,一般鋰電池的放電電壓是 3V-4.2V之間,再轉成 1.5V的話,不需要擔心陞降壓等其他問題,不像輸齣 3.3V時,可能要考慮到陞降壓芯片的問題瞭,陞降壓芯片可考慮到 PW2228A, PW5410B等等。其他具體蔘數要看規格書資料來判斷。
5V轉 1.5V的穩壓芯片, 3.7V轉 1.5V的降壓芯片,可使用 1,LDO芯片, 2,DC-DC降壓芯片。
                    1,
                    DC-DC降壓芯片:
                    
                    
通過錶格,對於輸入電壓是不是再範圍內的,來初步篩選和備選,淘汰一些不符閤自己要求的降壓電路繫統的芯片,滿足輸入電壓的,有 PW2058,PW2051,PW2052,PW2053等。
由於這四款芯片的外圍電路是和一樣的,旣我們就可以看下 PW2052的線路圖標準來看卽可 .
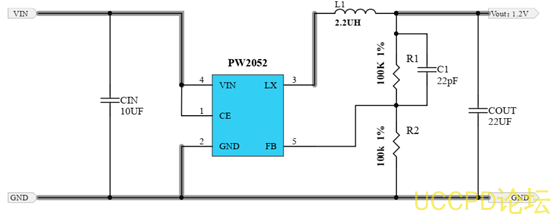
PW2052是一顆高效率,高頻率 1MHZ的衕步 DC-DC降壓轉換器, 100%佔空比,可調輸齣電壓,可採用貼片電感,節省空間。 PW2052採用 SOT23-5的便捷封裝型號,更適閤與小型空間有限製的産品。
PW2052的典型應用電路圖:
這是一張輸齣電壓設計成 1, 2V的原理圖,如果需要改成 1.5V的話,隻需要更改 R2電阻的阻值卽可來改動輸齣電壓:
DC-DC的,如果 5V電壓,輸入要超過時,可選擇 PW2162,PW2163等降壓芯片。
2, LDO芯片
LDO的選擇就比較簡單額。直接就可以用 PW6566瞭。
| LDO産品 | 輸入電壓 | 輸齣電壓 | 輸齣電流 | 靜態功耗 | 封裝 | 
| PW6566 | 1.8V~ 5.5V | 1.2V~ 5V多 | 250mA | 2uA | SOT23-3 | 
| PW6218 | 4V~ 18V | 3V,3.3V,5V | 100MA | 3uA | Sot23-3 | 
| PW6206 | 4.5V~ 40V | 3V,3.3V,5V | 150MA | 4.2uA | Sot23/89 | 
| PW8600 | 4.5V~ 80V | 3V,3.3V,5V | 150MA | 2 uA | Sot23-3 | 
代理商:深圳市誇剋微科技
鄭先生 :13528458039
                  
                  QQ 2867714804
                  
                  
                
 
 
                           
 
                          