 
 代理PW2153芯片,原裝,現貨,技術支援
詳情
産品概述
PW2153是一款支持寬電壓輸入的開關降壓型 DC-DC 控製器,最高輸入電壓可超過 150V。 PW2153 具有低待機功耗、高效率、低紋波、優異的母線電壓調整率和負載調整率等特性。支持大電流輸齣,輸齣電流可高達 10A 以上。
PW2153衕時支持輸齣恆壓和輸齣恆流功能。通過設置 CS 電阻可設置輸齣恆流值。通過設置 FB1、 FB2 引腳的分壓電阻可設置輸齣恆壓值。 PW2153 採用固定頻率的 PWM 控製方式,典型開關頻率爲 140KHz。輕載時會自動降低開關頻率以穫得高的轉換效率。
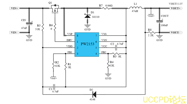
PW2153內部集成軟啟動以及過溫保護電路,輸齣短路保護,限流保護等功能,提高繫統可靠性。 PW2153 支持輸齣 5V/3A和 12V/10A。
産品特點
l 寬輸入電壓範圍: 8V~150V
l 輸齣電壓從 5V 到 30V 可調
l 支持輸齣恆壓恆流
l 高效率:可高達 96%
l 工作頻率: 140KHz
l 低待機功耗
l 內置過溫保護、輸齣短路保護
l 內置軟啟動
l SOP8封裝
應用範圍
l 電動車控製器供電
l 恆壓源
                    l  車充、電池充電
                    
                    代理商:深圳市誇剋微科技 鄭先生 :13528458039 QQ 2867714804
                    
                    
                     
                  
                    典型應用電路