30V转5V, 30V转3.3V, 30V转3V芯片,DC-DC降压和LDO集合
- 2020-10-14 10:33:00
- 夸克微 原创
- 3976
30V转 15V降压芯片 , 30V转 12V降压芯片, 30V转 9V降压芯片, 30V转 8V降压芯片 , 30V转 6V降压芯片 ,30V转 5V降压芯片, 30V转 3.3V降压芯片, 30V转 3V降压芯片, 30V转 1.8V
注意,不管是 DC-DC还是 LDO芯片,开关导通输入时,直接 30V输入时,在通电和接上电时, 会产生输入尖峰高几倍左右电压, 这不关有没有芯片问题,是电源固定的特性。所以输入需要用电解电容或者 TVS管或者输入正极串联电阻一般这三种方案来吸收尖峰电压,保护芯片不被过输入的尖峰高电压击伤损坏。
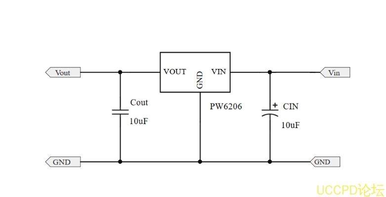
在 30V输入中,比较合适的 LDO可以选择:
PW6206,输出电压 3V,3.3V,5V,输入电压最高 40V,功耗也低 4uA;
PW8600,输出电压
3V,3.3V,5V,输入电压最高
80V,功耗也低
2uA; 代理商:
深圳市夸克微科技
郑先生 :13528458039
QQ 2867714804
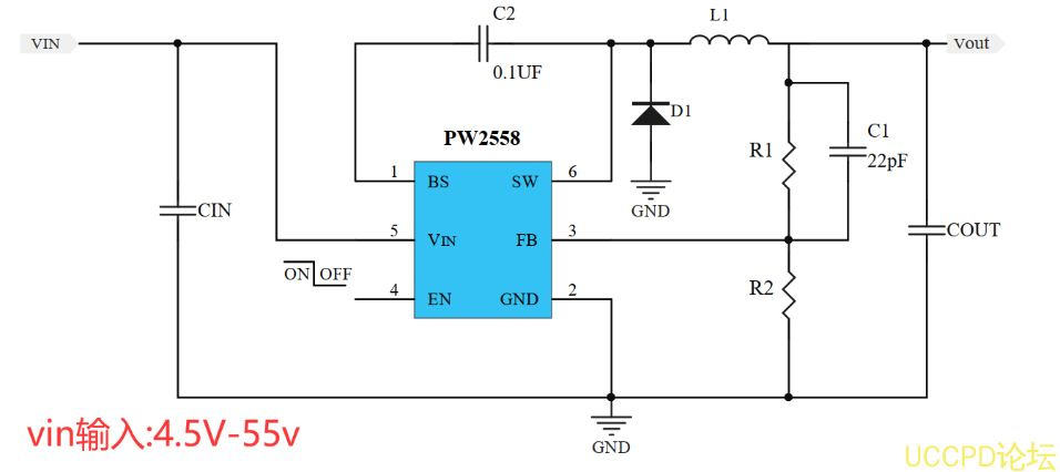
在 30V输入中,比较合适的 DC-DC可以选择: 0.8A的 PW2558, 2A的 PW2902和 3A的 PW2153以及以上都最合适的。
PW2558是一颗 DC-DC降压转换器芯片,输入电压范围 4.5V-55V,最大负载电流 0.8A,可调输出电压,频率 1.2MHZ高频率,可采用贴片电感,节省空间,采用 SOT23-6封装形式。
PW2902是一颗 DC-DC降压转换器芯片,输入电压范围 8V-90V,可负载 2A,可调输出电压,频率 140kHZ。适用于输出 12V2A或者 5V2A,可调输出电压 5V-30V之间。
PW2153适用于输出 12V10A或者 5V3A,可调输出电压 5V-30V之间。






