24V转5V, 24V转3.3V, 24V转3V线性LDO和DC降压芯片
- 2020-10-14 10:47:00
- 夸克微 原创
- 3419
24V转 5V, 24V转 3.3V, 24V转 3V, 24V转 1.8V, 24V转 1.2V.
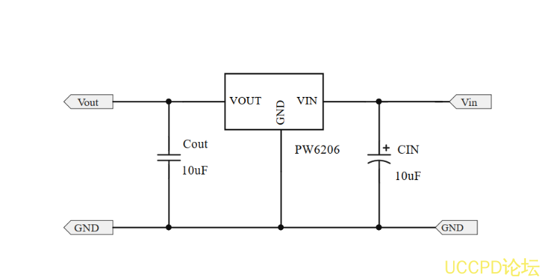
LDO的话,一般是用 PW6206即可,稳压 3V, 3.3V,5V输出供电。
DC-DC,需要根据电流来选择了。看下表。
在 24V输入中,比较合适的 LDO可以选择: PW6206,输出电压 3V,3.3V,5V
输入电压最高
40V,功耗也低
4uA左右,采用
SOT23-3封装。 代理商:
深圳市夸克微科技
郑先生 :13528458039
QQ 2867714804
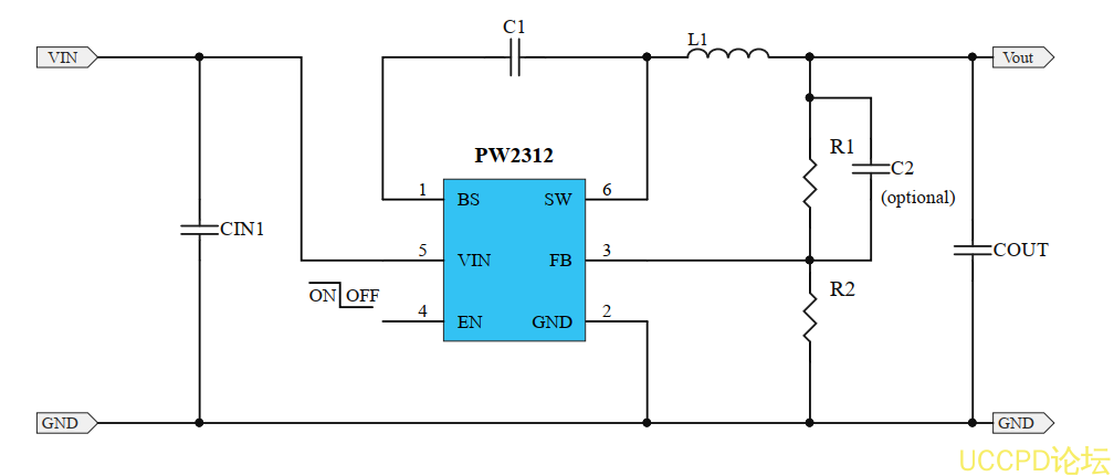
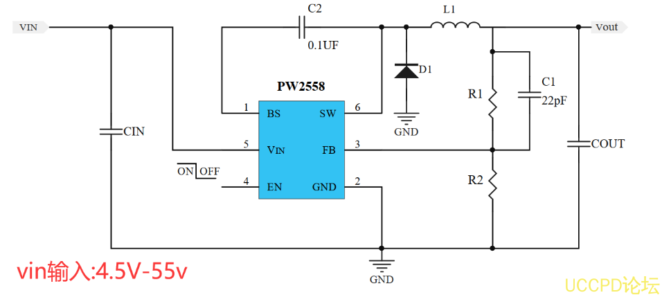
在 24V输入中,比较合适的 DC-DC可以选择: 0.8A的 PW2558, 1.2A的 PW2312和 3A的 PW2330以及以上都最合适的。
PW2558是一颗 DC-DC降压转换器芯片,输入电压范围 4.5V-55V,最大负载电流 0.8A,可调输出电压,频率 1.2MHZ高频率,可采用贴片电感,节省空间,采用 SOP8封装形式。
PW2312是一颗 DC-DC同步降压转换器芯片,输入电压范围 4V-30V,最大负载电流 1.2A,可调输出电压,频率 1.4MHZ高频率,可采用贴片电感,节省空间,采用 SOT23-6封装形式。
PCB图适用于 PW2312案例:




