20V转5V,20V转3.3V,20V转3V的降压芯片和LDO芯片
- 2020-10-14 10:53:00
- 夸克微 原创
- 3149
20V转 5V, 20V转 3.3V, 20V转 3V, 20V转 1.8V,
20V转 5V降压芯片, 20V转 3.3V降压芯片, 20V转 3V降压芯片, 20V转 1.8V。
20V我们常常需要转 3.3V或者 5V输出稳压,例如给 MCU供电等其他小电流应用时,我们常常选择 LDO芯片,而且功耗也很低。
DC-DC符合 100MA起以上电流时,的选择, LDO因为两个电压差太高,效率低的同时,温度及其高,不利于电路的稳定和工作。
|
DC-DC 降压 |
输入电压 |
输出电压 |
输出电流 |
频率 |
封装 |
|
PW2058 |
2.0V-6.0V |
1V-5V |
0.8A |
1.5MHz |
SOT23-5 |
|
PW2051 |
2.5V-5.5V |
1V-5V |
1.5A |
1.5MHz |
SOT23-5 |
|
PW2052 |
2.5V-5.5V |
1V-5V |
2.0A |
1.0 MHz |
SOT23-5 |
|
PW2053 |
2.5V-5.5V |
1V-5V |
3.0A |
1.0 MHz |
SOT23-5 |
|
PW2162 |
4.5V-16V |
1V-15V |
2A |
600KHZ |
SOT23-6 |
|
PW2183 |
4.5V-20V |
1V-15V |
3A |
600KHZ |
SOT23-6 |
|
PW2312 |
4.0V-30V |
1V-28V |
1.2A |
1.4 MHz |
SOT23-6 |
|
PW2330 |
4.5V-30V |
1V-28V |
3A |
130KHz |
SOP8 |
|
PW2558 |
4.5V-55V |
1.25V-30V |
0.8A |
1.2 MHz |
SOT23-6 |
|
PW2815 |
4.5V-80V |
1.5V-30V |
1.5A |
400KHZ |
SOP8-EP |
|
PW2906 |
12V-90V |
1.25V-20V |
0.6A |
150KHZ |
SOP8-EP |
|
PW2902 |
8V-90V |
5V-30V |
2A |
140KHZ |
SOP8-EP |
|
PW2153 |
8V-150V |
5V-30V |
3A |
140KHZ |
SOP8 |
|
LDO产品 |
输入电压 |
输出电压 |
输出电流 |
静态功耗 |
封装 |
|
PW6566 |
1.8V-5.5V |
1.2V-5V多 |
250mA |
2uA |
SOT23-3 |
|
PW6218 |
4V-20V |
3V,3.3V,5V |
100MA |
3uA |
Sot23-3 |
|
PW6206 |
4.5V-40V |
3V,3.3V,5V |
150MA |
4.2uA |
Sot23/89 |
|
PW8600 |
4.5V-80V |
3V,3.3V,5V |
150MA |
2 uA |
Sot23-3 |
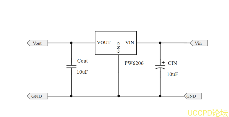
在 20V输入中,比较合适的 LDO可以选择: PW6206,输出电压 3V,3.3V,5V
输入电压最高
40V,功耗也低
4uA左右,封装采用
SOT23-3。
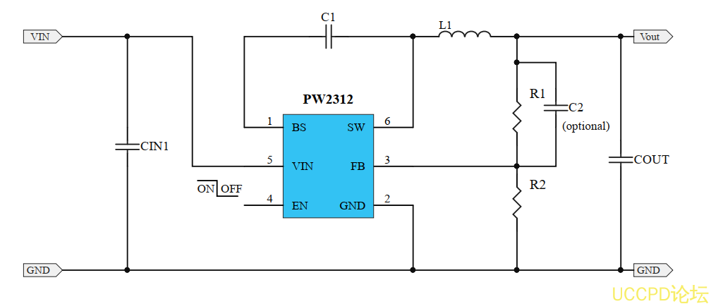
在 20V输入中,比较合适的 DC-DC可以选择: 1.2A的 PW2312和 3A的 PW2330以及以上都合适的。
PW2312是一颗
DC-DC同步降压转换器芯片,输入电压范围
4V-30V,最大负载电流
1.2A,可调输出电压,频率
1.4MHZ高频率,可采用贴片电感,节省空间,采用
SOT23-6封装形式。 代理商:
深圳市夸克微科技
郑先生 :13528458039
QQ 2867714804

