15V转5V转3.3V转3V芯片,DC-DC和LDO
- 2020-11-14 15:55:00
- 夸克微 原创
- 2957
在 15V输入中,比较合适的 LDO可以选择: PW6206,输出电压 3V,3.3V,5V
输入电压最高 40V,功耗也低 4uA左右。代理商:深圳市夸克微科技 郑先生 :13528458039 QQ 2867714804
在 15V输入中,比较合适的 DC-DC可以选择: 2A的 PW2162, 1.2A的 PW2312和 3A的 PW2330都最合适的。
PW2162是一颗 DC-DC同步降压转换器芯片,输入电压范围 4.5V-16V,最大负载电流 2A,可调输出电压,频率 600kHZ高频率,可采用贴片电感,节省空间,采用 SOT23-6封装形式。
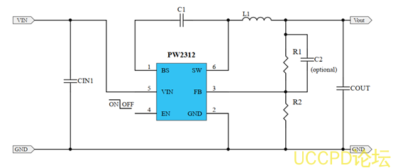
PW2312是一颗 DC-DC同步降压转换器芯片,输入电压范围 4V-30V,最大负载电流 1.2A,可调输出电压,频率 1.4MHZ高频率,可采用贴片电感,节省空间,采用 SOT23-6封装形式。
发表评论




