18V转5V,18V转3.3V,18V转3V稳压芯片,0.01A-3A输出
- 2020-11-14 16:03:00
- 夸克微 原创
- 2783
18V转 5V, 18V转 3.3V, 18V转 3V,
18V转 5V稳压芯片, 18V转 3.3V稳压芯片, 18V转 3V稳压芯片,
18V常降压转成
5V电压,
3.3V电压和
3V电压给其他芯片或设备供电,适用于这个电压的
DC-DC很多,
LDO也是有可以选择的。
LDO芯片如
PW6206,
PW8600等。
DC-DC芯片如:
PW2162,PW2312,PW2330等等很多选择。如下表
在 18V输入中,比较合适的 LDO可以选择: PW6206,输出电压 3V,3.3V,5V
输入电压最高
40V,功耗也低
4uA左右,封装
SOT23-3。
代理商:深圳市夸克微科技 郑先生 :13528458039 QQ 2867714804
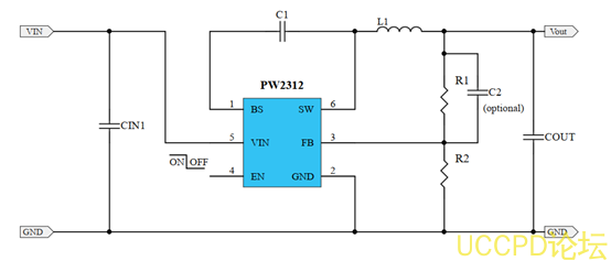
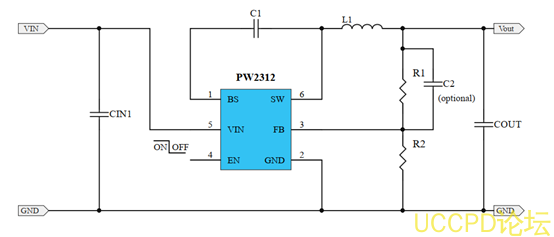
在 18V输入中,比较合适的 DC-DC可以选择: 1.2A的 PW2312和 3A的 PW2330都最合适的。
PW2312是一颗 DC-DC同步降压转换器芯片,输入电压范围 4V-30V,最大负载电流 1.2A,可调输出电压,频率 1.4MHZ高频率,可采用贴片电感,节省空间,采用 SOT23-6封装形式。
PCB图适用于 PW2312案例:



