3A,4.5V-30V输入,同步降压调节器PW2330
- 2020-11-30 17:02:00
- 夸克微 原创
- 3201
一般说明
PW2330开发了一种高效率的同步降压 DC-DC变换器 3A输出电流。 PW2330在 4.5V到 30V的宽输入电压范围内工作集成主开关和同步开关,具有非常低的 RDS( ON)以最小化传导
损失。 PW2330采用专有的瞬时 PWM结构,实现快速瞬态响应适用于高降压应用和轻负载下的高效率。此外,它在在连续传导模式下的 500kHz伪恒定频率,以最小化电感器和电容器。
特征
内部整流 MOS的低 RDS( on)(顶部 /底部): 90/60 mΩ
4.5-30V输入电压范围
瞬时 PWM架构实现快速
瞬态响应
外部软启动限制涌入电流
恒频: 500kHz
3A连续负载电流能力
输出过电流限制
输出短路保护当前折回
热关机和自动恢复
符合 RoHS标准且无卤素
紧凑型包装: SOP8-EP
应用
液晶显示器
液晶电视
机顶盒
北美
大功率 AP路由器
液晶显示器
DVR/NVR
笔记本
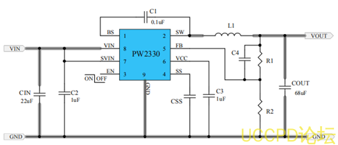
典型应用电路
数量
名称
功能
1
BS
供应高压侧闸门驱动器。将此引脚与带
0.1uF
陶瓷盖的
SW
销。
2
SW
感应器引脚。将此引脚连接到电感器的开关节点。
3
EN
启用控制。
4
SS
软启动编程引脚。将电容器从这个插脚连接到接地编程软启动时间。
Tss(ms)=Css(nF)*0.6(V)/10(uA)
5
FB
输出反馈引脚。将此销连接到输出电阻分压器,用于编程输出电压:
Vout=0.6*(1+R1/R2)
6
VCC
内部
3.3V LDO
输出。内部模拟电路电源以及驱动电路。在该引脚和接地。
7
SVIN
模拟电源输入。将
1uF
电容器旁路接地。
8
SVIN
电源输入。至少用
10uF
将该引脚与
GND
引脚断开陶瓷盖
9(EP)
GND
接地引脚。
DC-DC
降压产品
输入电压
输出电压
输出电流
频率
封装
PW2058
2.0V
~
6.0V
1V
~
5V
0.8A
1.5MHz
SOT23-5
PW2051
2.5V
~
5.5V
1V
~
5V
1.5A
1.5MHz
SOT23-5
PW2052
2.5V
~
5.5V
1V
~
5V
2.0A
1.0 MHz
SOT23-5
PW2053
2.5V
~
5.5V
1V
~
5V
3.0A
1.0 MHz
SOT23-5
PW2162
4.5V
~
16V
1V
~
15V
2A
600KHZ
SOT23-6
PW2163
4.5V
~
16V
1V
~
15V
3A
600KHZ
SOT23-6
PW2205
4.5V
~
30V
1V
~
25V
5A
500KHZ
SOP8-EP
PW2312
4.0V
~
30V
1V
~
28V
1.2A
1.4 MHz
SOT23-6
PW2330
4.5V
~
30V
1V
~
28V
3A
500KHz
SOP8-EP
PW2431
4.5V
~
40V
1V
~
30V
3A
340KHz
SOP8-EP
PW2558
4.5V
~
55V
1.25V
~
30V
0.8A
1.2 MHz
SOT23-6
PW2608
5.5V
~
60V
1.5-30V
0.8A
0.3-1Mhz
SOP8-EP
PW2815
4.5V
~
80V
1.5V
~
30V
1.5A
400KHZ
SOP8-EP
PW2906
12V
~
90V
1.25V
~
20V
0.6A
150KHZ
SOP8-EP
PW2902
8V
~
90V
5V
~
30V
2A
140KHZ
SOP8-EP
PW2153
8V
~
140V
5V
~
30V
4A
140KHZ
SOP8
LDO
产品
输入电压
输出电压
输出电流
静态功耗
封装
PW6566
1.8V
~
5.5V
1.2V1.5V,1.8V,2.0V,2.5,
.2.8V,3.0V,3.3V,5V
250mA
2uA
SOT23-3
PW6218
4V
~
18V
3V,3.3V,5V
100MA
3uA
Sot23-3
PW6206
4.5V
~
40V
3V,3.3V,5V
150MA
4.2uA
Sot23/89
PW8600
4.5V
~
80V
3V,3.3V,5V
150MA
2 uA
Sot23-3
布局设计:
PW2330调节器的布置设计为相对简单。为了获得最佳的效率和最小噪声问题,我们应该把 IC的以下组件: CIN, C3 L1、 R1和 R2。
1. 最好将 PCB铜最大化连接到 GND引脚以实现最佳的热性能和噪音性能。如果板空间允许,地平面非常令人满意。
2. CIN必须接近 VIN和 GND引脚。这个 CIN和 GND形成的环路面积必须最小化。
3. 与 SW相关的 PCB铜板面积引脚必须最小化,以避免潜在噪音问题。
4. 成分 R1和 R2,以及轨迹连接到 FB引脚不得靠近 PCB布局上的 SW网络为了避免噪音问题。
5. 如果系统芯片与 EN接口引脚在关机模式, IN引脚为直接连接到电源作为锂离子电池,最好添加下拉 EN之间的 1欧姆电阻器和 GND引脚,以防止噪音错误地打开调节器关机模式
电气特性
(VIN = 12V, VOUT = 5V, COUT = 47uF, TA = 25°C, IOUT = 1A 除非另有说明.)
|
参数 |
符号 |
测试调节 |
最小 |
典型 |
最大 |
单位 |
|
输入电压范围 |
V IN |
|
4.5 |
|
30 |
V |
|
反馈参考电压 |
V REF |
|
0.591 |
0.6 |
0.609 |
V |
|
FB 输入电流 |
I FB |
V FB =V cc |
-50 |
|
50 |
nA |
|
EN 下降阈值 |
V ENL |
|
1.1 |
1.2 |
1.3 |
V |
|
EN 阈值滞后 |
V EN .HYS |
|
|
0.1 |
|
V |
|
输入 UVLO 阈值 |
V UVLO |
|
|
|
4 |
v |
|
UVLO 滞后 |
V HYS |
|
|
0.2 |
|
V |
|
顶部 FET 内阻 |
R DS(ON )1 |
|
|
90 |
|
m Ω |
|
底部 FET 内阻 |
R DS(ON)2 |
|
|
60 |
|
m Ω |
|
底部 FET 电流限制 |
I LIM |
|
4 |
|
|
A |
|
静态电流 |
I Q |
I OUT =0 , V FB =V REF *105% |
|
200 |
|










