AS11D芯片,AS11D降压稳压芯片,可调输出
- 2020-09-12 15:24:00
- 夸克微 原创
- 5752
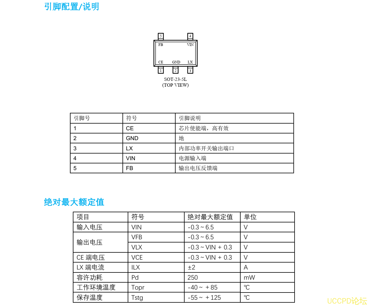
(AS11D)PW2051 是一款由基准电压源、振荡电路、比较器、 PWM/PFM 控制电路等构成的 CMOS 降压型 DC/DC 调整器。利用 PWM/PFM 自动切换控制电路达到可调占空比,具有全输入电压范围内的低纹波、高效率和大输出电流等特点。 PW2051 AS11D )内置功率 MOSFET, 集成了过压、过流、过热、短路等诸多保护电路,在超过控制值时会自动断开,以保护芯片。本产品结合了微型封装和低消耗电流等特点,最适合在移动设备的电源内部使用。 PW2051 AS11D )最大输出电流 1.5A,超高效率 95%。
AS11D芯片电路图: 可调输出电压

